EasyManua.ls Logo

KitchenAid 4317266 - Page 17

KitchenAid 4317266
32 pages
Print Icon
To Next Page IconTo Next Page
To Next Page IconTo Next Page
To Previous Page IconTo Previous Page
To Previous Page IconTo Previous Page
Loading...
17
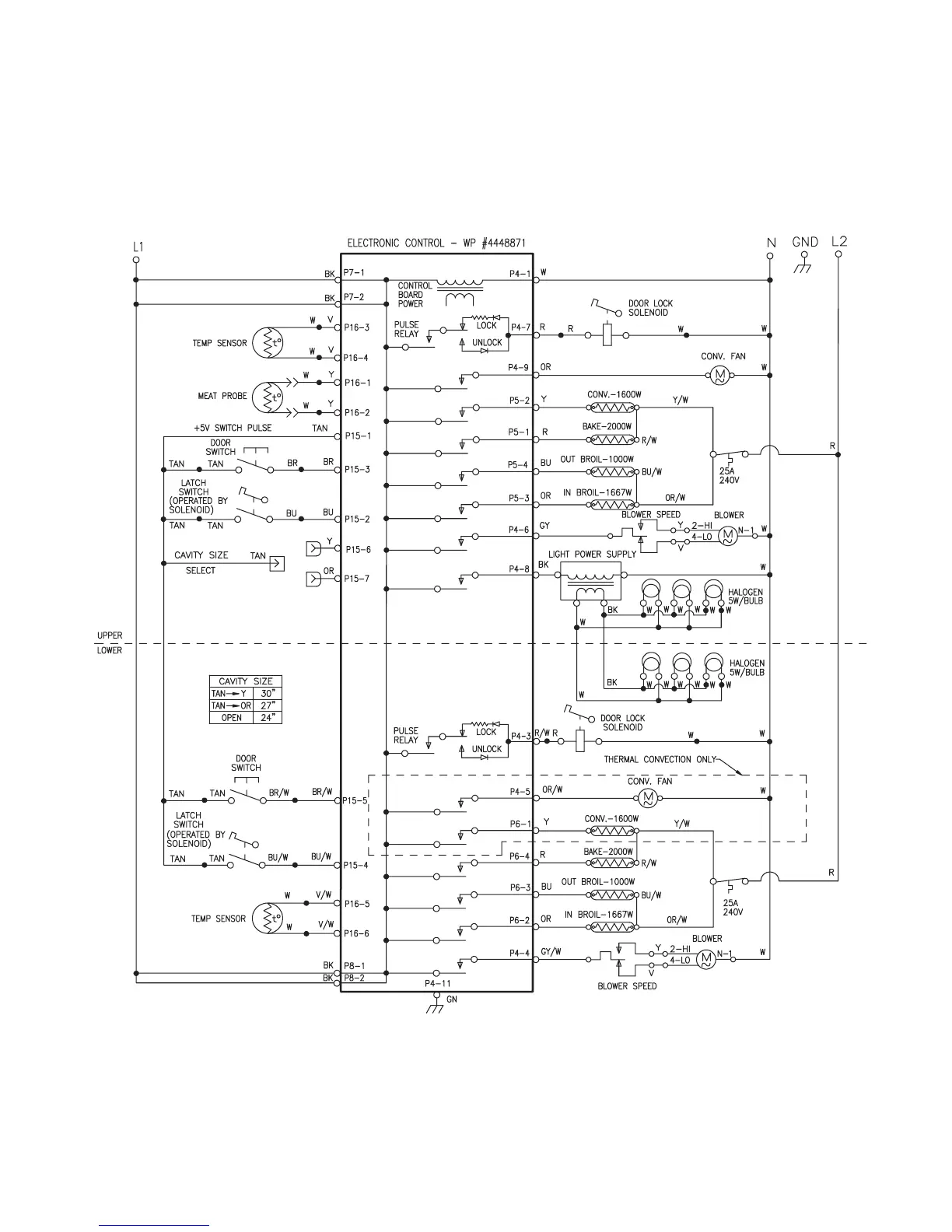
Tech Sheet #4448437

Related product manuals