EasyManua.ls Logo

KitchenAid 4317266 - Page 31

KitchenAid 4317266
32 pages
Print Icon
To Next Page IconTo Next Page
To Next Page IconTo Next Page
To Previous Page IconTo Previous Page
To Previous Page IconTo Previous Page
Loading...
31
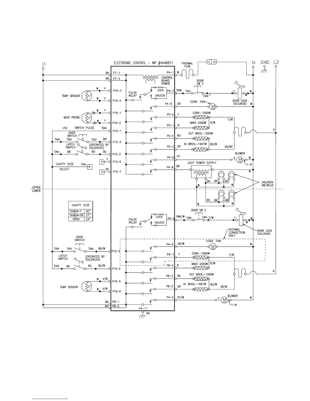
Tech Sheet #4454771

Related product manuals