EasyManua.ls Logo

KitchenAid 740-0781 - Dimensiones del Corte del Armario

KitchenAid 740-0781
96 pages
Print Icon
To Next Page IconTo Next Page
To Next Page IconTo Next Page
To Previous Page IconTo Previous Page
To Previous Page IconTo Previous Page
Loading...
37
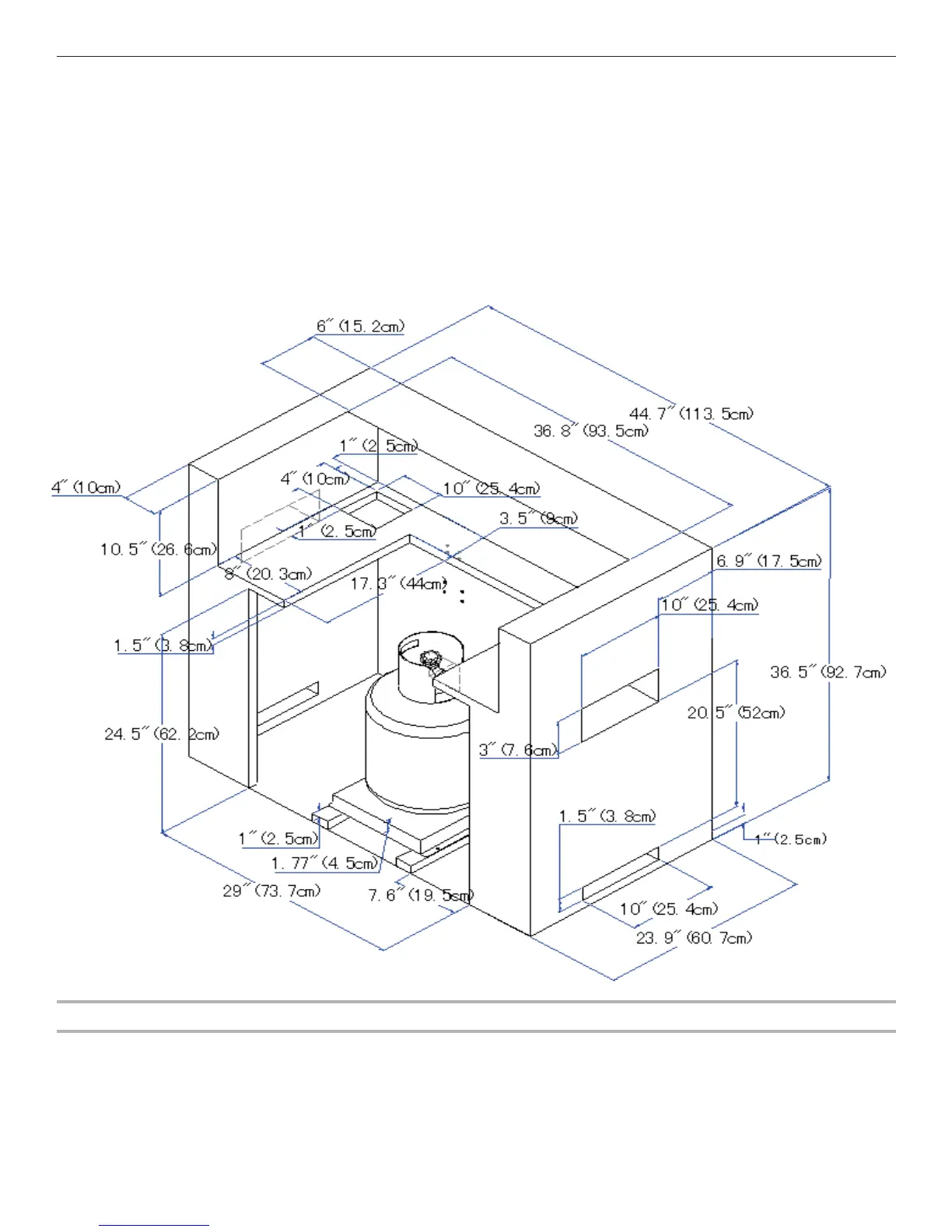
Dimensiones del corte del armario
La ilustración a continuación incluye las dimensiones de corte y los requisitos mínimos de espacio. La misma es para referencia. Puede hacerse el
diseño de la disposición del armario a la medida, pero las dimensiones para los recortes y el espacio mínimo deben seguirse.
Las superficies centrales o de soporte deberán estar niveladas.
La instalación de este asador debe cumplir con los códigos locales o, en la ausencia de los mismos, con el Código Nacional de Gas Combustible
(National Fuel Gas Code), ANSI Z223.1/NFPA 54, el Código de instalación de gas natural y propano (Natural Gas and Propane Installation Code),
CSA B149.1, o el Código sobre manipulación y almacenamiento de gas propano (Propane Storage and Handling Code), B149.2.
Pueden obtenerse copias de las normas señaladas en:
CSA International
8501 East Pleasant Valley Rd.
Cleveland, Ohio 44131-5575
NOTA: El
asador encaja en la abertura y está apoyado en sus pestañas laterales. No use un soporte en la parte inferior.
Requisitos de ventilación para el recinto del asador empotrado para exteriores
Cualquier recinto deberá ventilarse con aberturas en los niveles superior
e inferior del mismo. La información a continuación es la ventilación
mínima apropiada de su construcción tipo isla.
Deberá haber un espacio mínimo de 1 7/8" (4,4 cm) entre la parte
inferior de la ensamblaje de la escudilla del quemador principal
y la pared frontal de la, para una
ventilación adecuada.
NOTA: No deberá haber ninguna superficie maciza por debajo de
la sección de la caja de fuego del asador.
Se necesita un mínimo de 3" (7,6 cm) entre la parte posterior del
asador y los materiales no combustibles. Se necesita un mínimo de
24" (61,0 cm) entre la parte posterior del asador y los materiales
combustibles.
La isla deberá ventilarse de una de las dos maneras siguientes:
Una ventilación de 90° o de 180° en la isla, para asegurar que el aire
fluya a través de la isla a 90° ó 180°.

Table of Contents

Related product manuals