EasyManua.ls Logo

KitchenAid 9760618 - Page 14

KitchenAid 9760618
28 pages
Print Icon
To Next Page IconTo Next Page
To Next Page IconTo Next Page
To Previous Page IconTo Previous Page
To Previous Page IconTo Previous Page
Loading...
14
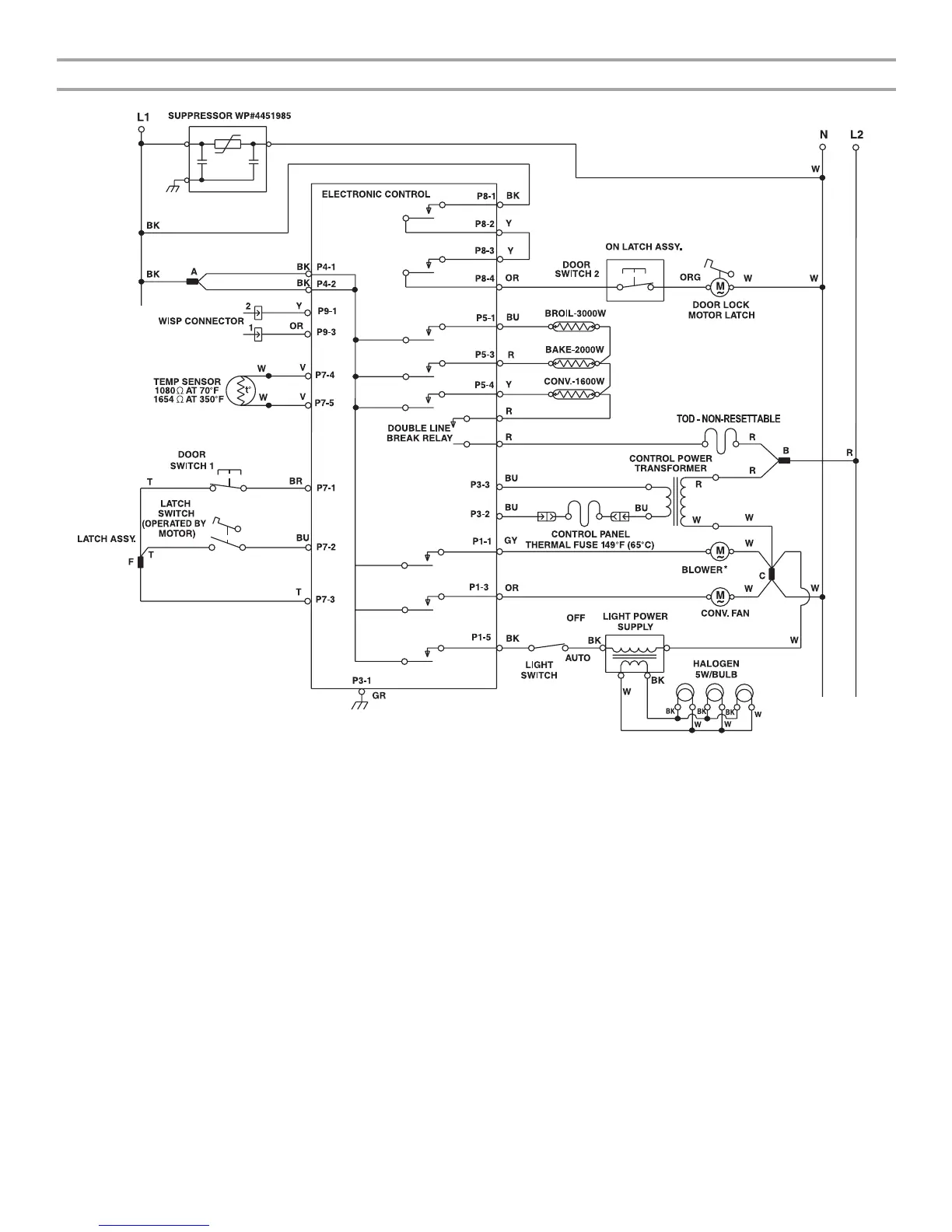
Oven Schematic
*Blower remains off until oven reaches 190°F (88°C) and may continue running up to 45 minutes after oven has turned off.
NOTE: Circuit is shown in standby/off mode with oven door closed.

Related product manuals