EasyManua.ls Logo

KitchenAid KDRP462LSS08 - Page 11

KitchenAid KDRP462LSS08
24 pages
Print Icon
To Next Page IconTo Next Page
To Next Page IconTo Next Page
To Previous Page IconTo Previous Page
To Previous Page IconTo Previous Page
Loading...
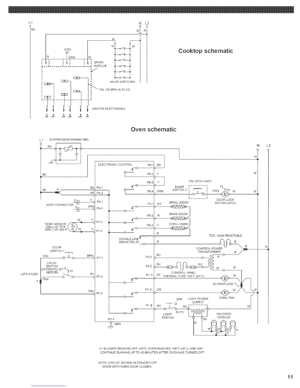
LI N L2
BK W R
W'
GDN €_:_o--_
i u u SPARK
u u MODULE ¢-_c--_
u
uu VALVE SWITCHES
uu YEL OR BRN (6) PLCS
L .................... u
TOR ELECTRODES
Cooktop schematic
L1 SUPPRESSOR WP#4451985
LATCH ASSY
F
BK
BKK
DOOR
SWITCH 1
TAN ©_L BRN
LATCH
SWITCH
Bt
TAN
TAB
Oven schematic
P4-1
P4-2
P9-1
P9-3
P7-4
P7-5
P7-1
P7-2
P7-3
- P8-2 Y
P8-3
P8-4
P5-3
P5-4
BREAK RELAY
==4)_
P3-3
P3-2
P1-1
P1-3
P1-5
-o-
P3-1
l
w
DOOR LOCK
MOTOR LATCH
TOD - NON RESETABLE
BU BROIL-3000W
ON LATCH ASSY
N L2
w
F
(*). BLOWER REMAINS OFF UNTIL OVEN REACHES 190F (88C) AND MA_
CONTINUE RUNNING UP TO 45 MINUTES AFTER OVEN HAS TURNED OFF
NOTE: CIRCUIT SHOWN IN STANDBY/OFF
MODE WITH OVEN DOOR CLOSED
11

Related product manuals