EasyManua.ls Logo

KitchenAid KDTM504EPA - Page 103

KitchenAid KDTM504EPA
122 pages
Print Icon
To Next Page IconTo Next Page
To Next Page IconTo Next Page
To Previous Page IconTo Previous Page
To Previous Page IconTo Previous Page
Loading...
TESTING
KitchenAid 2015 Microltration Dishwashers
n
6-3
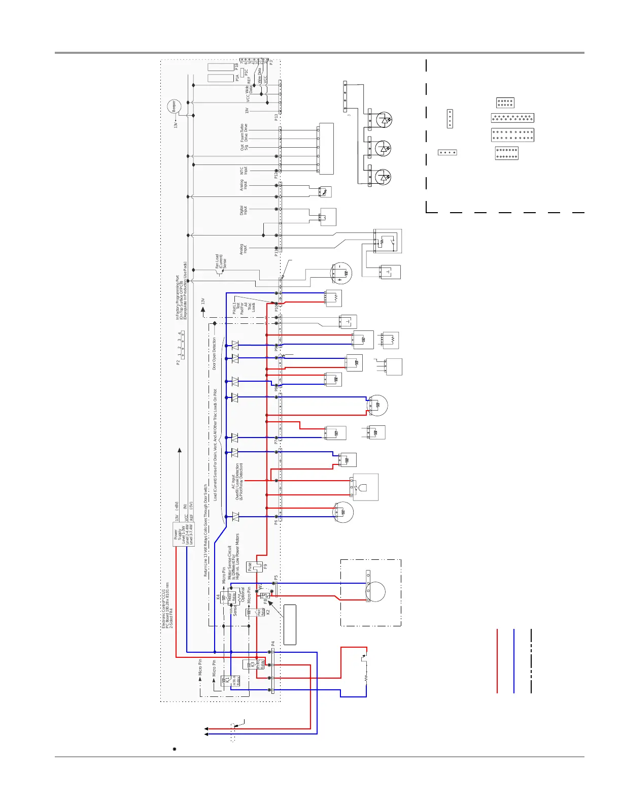
Wiring Diagram
Schemac shown with door switch and all other normally open contacts open.
* Denotes energy ecient components. Do not substute.
For Service Technician Use Only
2
Wiring Diagram
Schematic shown with door switch and all other normally-open contacts open.
*Denotes energy-efficient components. Do not substitute.
Most used test points on
PC board for multimeter
checks
N
Line
WH
Wire
BK Wire
Ferrite
(I Loop)
BK
Line
WH
Heater
Element
Thermostat
(Hi-Limit)
N.C.
Micro Pin
K1
HTR-N
Relay
K3
HTR-L
Relay
P4
P4-4
P4-3
P4-2
P4-1
BU-
WH
BU-
RD
BK
WH
K4
Sense
Motor
Relay
Optional
Pilot
Relay
P5
F9
W2
Fuse
P5-2
P5-1
LB
LB
Motor Sense Circuit
Is Different For
High vs. Low Power Motors
L1
N
1
2
3 4
A-SYNCHWash
Motor Pump
W/RIF
Drain
Motor
1
3
3
3
3
3
1
1
1
FillValve*
Diverter
Motor
1
3
1
3
1
3
1
3
1
3 1
3
1
2
1
3
1
2
3
4
3
1
3
1
3
1
2
4
5
6
(Spare)
(Spare)
Future
Future
Door SW
Vent Wax
Motor
Fan Motor
Optional
Not Many Models
Flow
Meter
39K
Diverter
Position
Switch Contact
(Closed During
Transitions)
(Spare)
Future
O.W.I*
(NTC, Foam, & Turbidity Sensor)
BR
BR
BR
BR
BR
BR
BU
BU
BU
BU
RD
RD
RD
RD
V
V
V
V
BR
BR
BR
BR
RD
YL
Return Line 13 Volt Relays Coils GoesThrough Door Switch
Electronic Control* CCU1
PC Board 190.28 x 81.01 mm
2-Sided FR4
Power
Supply
Level 1-3W
Level 2-4.4W
Level 3-7.4W
13V
VCC
REF
(+8V)
(N)
(-5V)
Load (Current) Sense For Drain, Vent, And All Other Triac Loads On Pilot
AC Input
Overfill / Leak Detection
(& Pilot Relay Detection)
7P6P
P8
P9
P10
P11
P12
P13
P3
Door Open Detection
P2
1 2 3
4
In Factory Programming Port
(On Top Surface Of PCB)
(Depopulate In Production;Use Pads)
13V
Pilot L1
Test
Pad For
All
Triac
Loads
Fan Load
(Current)
Sense
Analog
Input
Digital
Input
Analog
Input
NTC
Input
Opt
Sig
Foam
Drive
Turbo
Drive
13V
VCC
Wide
Data
13V
Beeper
REF
VCC
Wire Data
P1A
P1B
LED
Displays
14-PIN
Temporary
Connection Port
For Development
Tools (& Future
Service Tools)
1
3
2
4
5
6
7
Black Stripe On Connector
R Stripe On Connector
P6-1
P6-3
P6-4
P6-6
P6-7
P6-9
P7-1
P7-3
P7-4
P7-6
P8-1
P8-3
P8-4
P8-6
P9-1
P9-3
P9-5
P9-6
P10-1
P10-3
P10-5
P10-4
P11-1
P11-2
P11-
3
P11-4
P11-5
P11-6
P12-1
P12-2
P12-3
P12-4
P12-5
P12-6
Micro Pin
Micro Pin
Micro Pin
K2
F8
Fuse
Or
1
Dispenser
Wax Motor
P13-1
P13-2
P13-3
P13-4
P1C
LCD UI
4-PIN
This option No Fuse,
jumper only
3
1
Fan
(Not all models)
Softener
Regan Valve
(Not all models)
Overfill
(float) Switch
Dispenser
Solenoid
5
5
3
Spray
Arm
Motor
(Not all models)
1
2
3
1
2
3
1
2
3
1
2
3 4
Light
Light
Light
To Connector P13
Light In tub
(On some models)
Spray
Arm
Sensor
10-Pin
Capacitive touch
keyboards
4-Pin
P1-VCC, P4 REF
Mechanical
push-button
boards
20-Pin
Active
overlays
19-Pin ZIF
P1A & P1B User Interface
Connector options
Softener
salt sensor
(Closed when
empty. Not
all models)
GY
GY
BU-RD
BU-RD
RD
RD
RD
RD
RD
YL
YL
YL
YL
YL
1
2
Wiring Diagram
Schematic shown with door switch and all other normally-open contacts open.
*Denotes energy-efficient components. Do not substitute.
Most used test points on
PC board for multimeter
checks
N
Line
WH
Wire
BK Wire
Ferrite
(I Loop)
BK
Line
WH
Heater
Element
Thermostat
(Hi-Limit)
N.C.
Micro Pin
K1
HTR-N
Relay
K3
HTR-L
Relay
P4
P4-4
P4-3
P4-2
P4-1
BU-
WH
BU-
RD
BK
WH
K4
Sense
Motor
Relay
Optional
Pilot
Relay
P5
F9
W2
Fuse
P5-2
P5-1
LB
LB
Motor Sense Circuit
Is Different For
High vs. Low Power Motors
L1
N
1
2
3 4
A-SYNCHWash
Motor Pump
W/RIF
Drain
Motor
1
3
3
3
3
3
1
1
1
FillValve*
Diverter
Motor
1
3
1
3
1
3
1
3
1
3 1
3
1
2
1
3
1
2
3
4
3
1
3
1
3
1
2
4
5
6
(Spare)
(Spare)
Future
Future
Door SW
Vent Wax
Motor
Fan Motor
Optional
Not Many Models
Flow
Meter
39K
Diverter
Position
SwitchContact
(Closed During
Transitions)
(Spare)
Future
O.W.I*
(NTC, Foam, & Turbidity Sensor)
BR
BR
BR
BR
BR
BR
BU
BU
BU
BU
RD
RD
RD
RD
V
V
V
V
BR
BR
BR
BR
RD
YL
Return Line 13 Volt Relays Coils GoesThrough Door Switch
Electronic Control*CCU1
PC Board 190.28 x 81.01 mm
2-Sided FR4
Power
Supply
Level 1-3W
Level 2-4.4W
Level 3-7.4W
13V
VCC
REF
(+8V)
(N)
(-5V)
Load (Current) Sense For Drain, Vent, And All Other Triac Loads On Pilot
AC Input
Overfill / Leak Detection
(& Pilot Relay Detection)
7P6P
P8
P9
P10
P11
P12
P13
P3
Door Open Detection
P2
1 2
3
4
In Factory ProgrammingPort
(On Top Surface Of PCB)
(Depopulate In Production;Use Pads)
13V
Pilot L1
Test
Pad For
All
Triac
Loads
Fan Load
(Current)
Sense
Analog
Input
Digital
Input
Analog
Input
NTC
Input
Opt
Sig
Foam
Drive
Turbo
Drive
13V
VCC
Wide
Data
13V
Beeper
REF
VCC
Wire Data
P1A
P1B
LED
Displays
14-PIN
Temporary
Connection Port
ForDevelopment
Tools (& Future
Service Tools)
1
3
2
4
5
6
7
Black Stripe On Connector
R Stripe On Connector
P6-1
P6-3
P6-4
P6-6
P6-7
P6-9
P7-1
P7-3
P7-4
P7-6
P8-1
P8-3
P8-4
P8-6
P9-1
P9-3
P9-5
P9-6
P10-1
P10-3
P10-5
P10-4
P11-1
P11-2
P11-
3
P11-4
P11-5
P11-6
P12-1
P12-2
P12-3
P12-4
P12-5
P12-6
Micro Pin
Micro Pin
Micro Pin
K2
F8
Fuse
Or
1
Dispenser
Wax Motor
P13-1
P13-2
P13-3
P13-4
P1C
LCD UI
4-PIN
This option No Fuse,
jumper only
3
1
Fan
(Not all models)
Softener
Regan Valve
(Not all models)
Overfill
(float) Switch
Dispenser
Solenoid
5
5
3
Spray
Arm
Motor
(Not all models)
1
2
3
1
2
3
1
2
3
1
2
3 4
Light
Light
Light
To Connector P13
Light In tub
(On some models)
Spray
Arm
Senso
r
10-Pin
Capacitive touch
keyboards
4-Pin
P1-VCC, P4 REF
Mechanical
push-button
boards
20-Pin
Active
overlays
19-Pin ZIF
P1A & P1B User Interface
Connector options
Softener
salt sensor
(Closed when
empty. Not
all models)
GY
GY
BU-RD
BU-RD
RD
RD
RD
RD
RD
YL
YL
YL
YL
YL
1
P1A & P1B User Interface
Connector Options
L1
N
13V

Table of Contents

Related product manuals