EasyManua.ls Logo

KitchenAid KUDK03ITBL3 - Page 4

KitchenAid KUDK03ITBL3
14 pages
Print Icon
To Next Page IconTo Next Page
To Next Page IconTo Next Page
To Previous Page IconTo Previous Page
To Previous Page IconTo Previous Page
Loading...
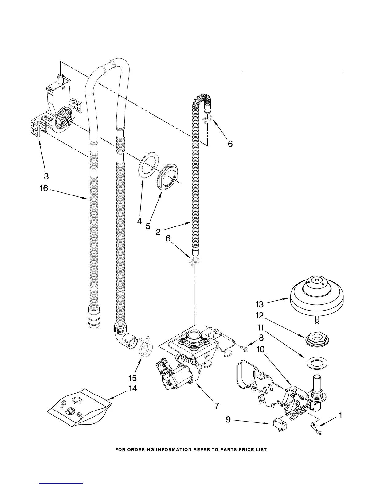
FILL AND OVERFILL PARTS
4
For Models: KUDK03ITBL3, KUDK03ITWH3, KUDK03ITBT3, KUDK03ITBS3
(Black) (White) (Biscuit) (Stainless)
W10200482
Illus. Part
No. No. DESCRIPTION
1 8268892 Lever, Overfill
Switch
2 8531412 Hose, Inlet
3 8531325 Water Inlet
(Also Order
Item 4)
4 8531323 Gasket
5 8531327 Nut, Inlet
(Also Order
Item 4)
6 371505 Clamp, Hose
7 8563405 Fill Valve
Assembly
8 304392 Screw
9 8268909 Switch, Overfill
Control
10 8545946 Standpipe,
Overfill
(Includes Item 11)
11 8531743 Gasket, Flat
12 9741998 Nut, Standpipe
13
W10077871
Float & Retainer
Assembly
14 8269297 Miscellaneous
Parts Bag
(Includes 2 Screws
& 2 Hose Clamps)
15 356138 Clamp, Hose
16
W10137608
Drain Loop
with Check Valve

Related product manuals