EasyManua.ls Logo

Kity 1619 - Page 22

Default Icon
23 pages
Print Icon
To Next Page IconTo Next Page
To Next Page IconTo Next Page
To Previous Page IconTo Previous Page
To Previous Page IconTo Previous Page
Loading...
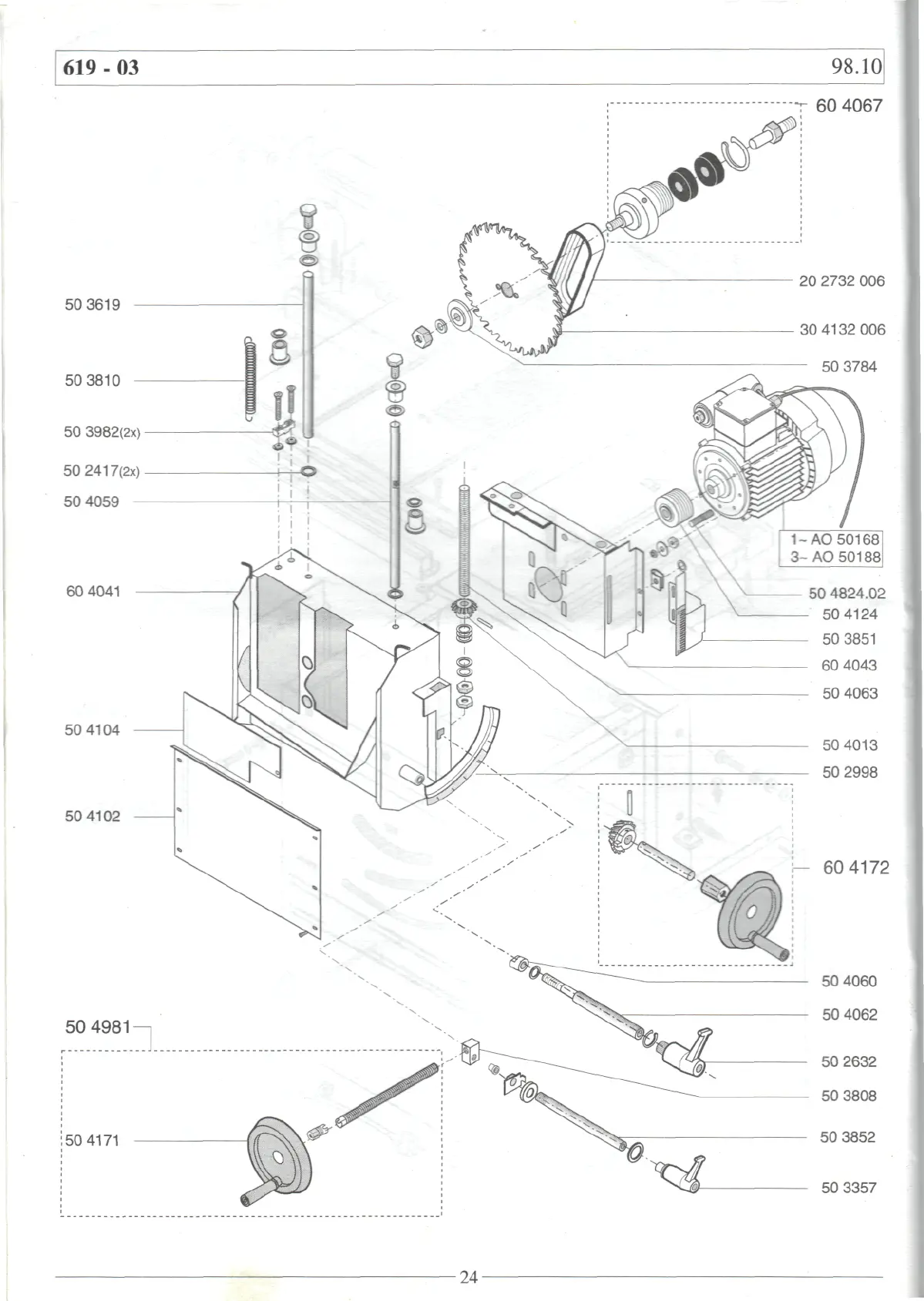
619 - 03
98.10
60
4067
503619
503810
50
3982(2x)
502417(2x
50
4059
60
4041
504104
504102
20
2732
006
304132006
50
3784
1-AO50168
3~
AO50188
50
4824.02
504124
50
3851
60
4043
50
4063
504013
50
2998
604172
50
4060
50
4062
50
2632
50
3808
50
3852
50
3357
•24-

Related product manuals