EasyManua.ls Logo

KMB SML133 - Page 54

KMB SML133
56 pages
Print Icon
To Next Page IconTo Next Page
To Next Page IconTo Next Page
To Previous Page IconTo Previous Page
To Previous Page IconTo Previous Page
Loading...
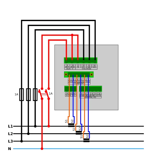
SML133 U 230 X/5A
Typical Installation, Direct Star (“3Y”) Connection / Typowa instalacja, bezpośrednio podłączenie
gwiazda (“3Y”) / Typické zapojení, přímé připojení napětí do hvězdy (“3Y”)

Related product manuals