EasyManua.ls Logo

Koehler K39400 - Page 20

Koehler K39400
26 pages
Print Icon
To Next Page IconTo Next Page
To Next Page IconTo Next Page
To Previous Page IconTo Previous Page
To Previous Page IconTo Previous Page
Loading...
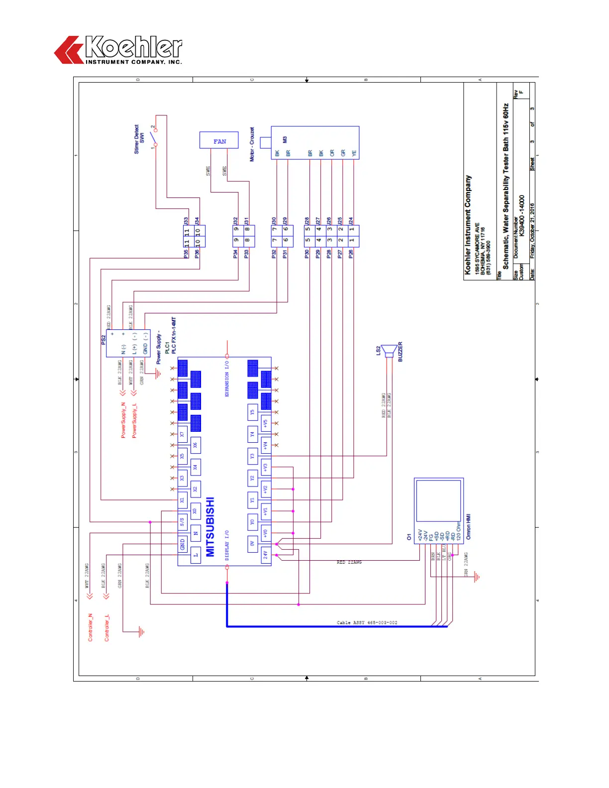
K394XX Water Separability Tester
Operation and Instruction Manual
K394XX-Manual -16-

Related product manuals