EasyManua.ls Logo

Kohler 15ERG - Section 4 Troubleshooting

Kohler 15ERG
52 pages
Print Icon
To Next Page IconTo Next Page
To Next Page IconTo Next Page
To Previous Page IconTo Previous Page
To Previous Page IconTo Previous Page
Loading...
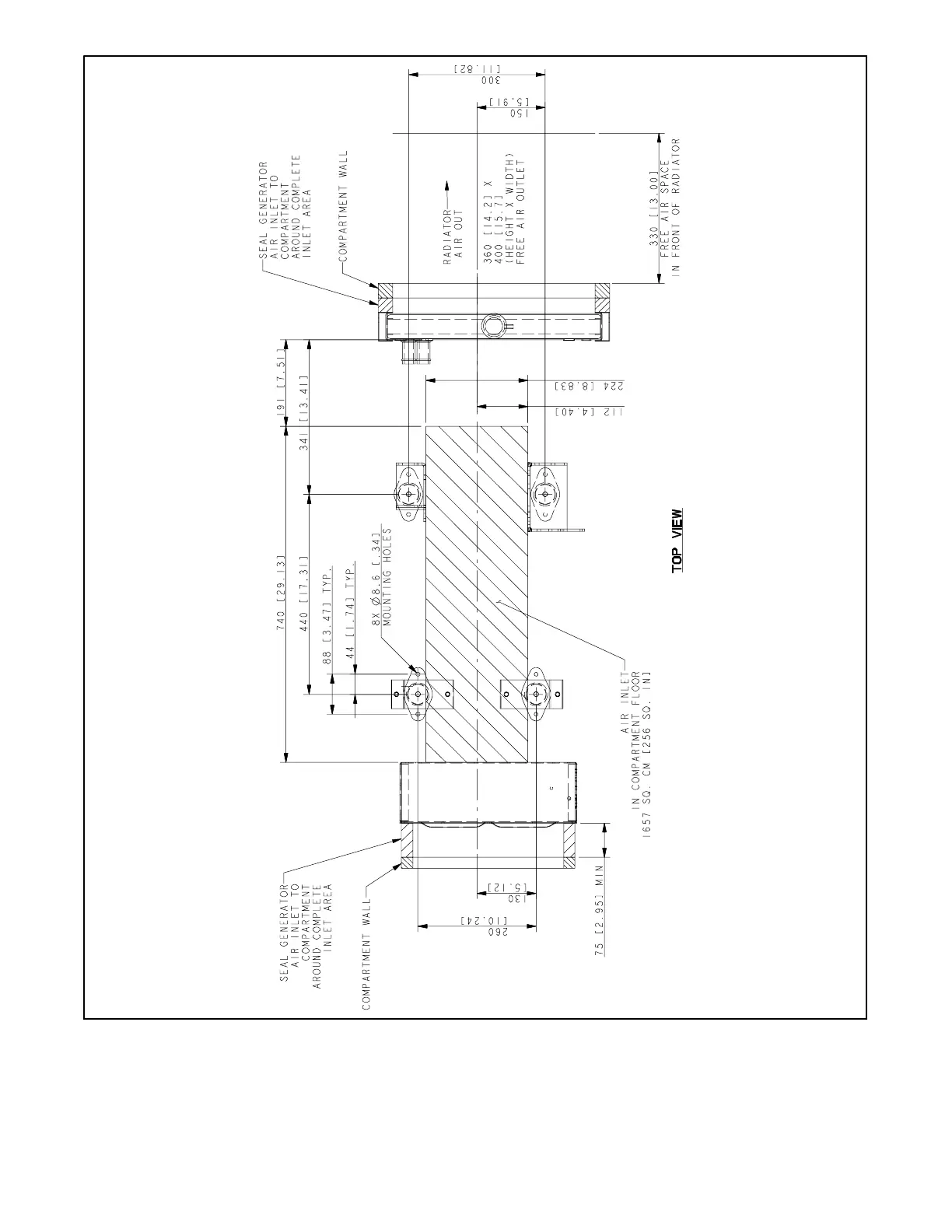
Installation Drawing 23TP-6335 9/04
ADV-6816C-A
Figure 7-3 Dimension Drawing, Floor Template

Other manuals for Kohler 15ERG

Related product manuals