EasyManua.ls Logo

Kohler 20EKOZD - Page 254

Kohler 20EKOZD
360 pages
Print Icon
To Next Page IconTo Next Page
To Next Page IconTo Next Page
To Previous Page IconTo Previous Page
To Previous Page IconTo Previous Page
Loading...
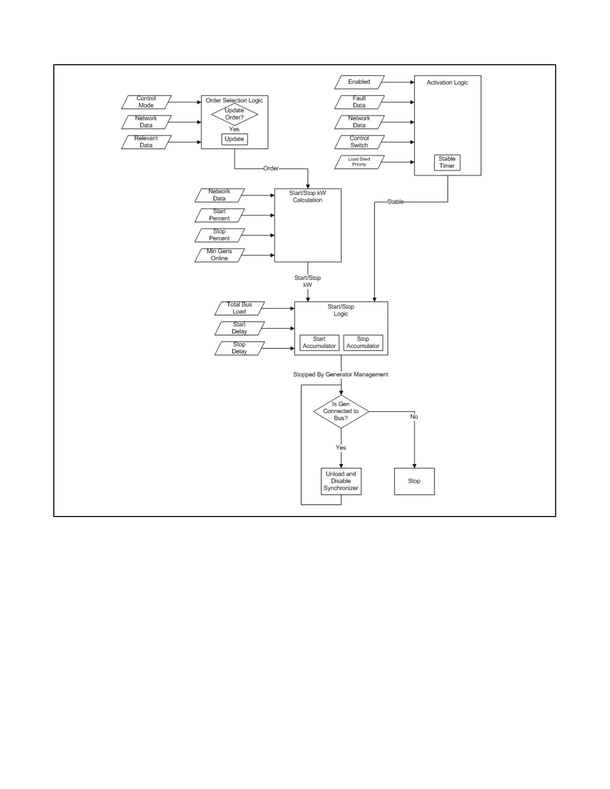
254 Section 13 Generator Management Information TP-6953 7/19
13.6 Generator Management Detailed Functional Sequence
Figure 13 -15 Generator Management Functional Sequence
Generator Management has four ba sic functional
modules which fit the architecture illustrated in
Figure 13-15. Each module has minimal interaction with
other modules, to allow simplified interaction scenarios
and functional descriptions.
13.6.1 Order Selection Logic
The order is only changed if a change is required. The
criterion to determine if a change is required depends on
the order selection method of the Generator
Management system.
Manual Mode Order Update Required Logic
The order will attempt to re-negotiate if any of the
following conditions come true:
D The order is not valid (unique and sequential). This
can be caused by changing the number of generators
connected to the PGEN network, or by changing
settings in a single controller while it was not
connected to the PGEN network.
D A user has manually adjusted the order.

Other manuals for Kohler 20EKOZD

Related product manuals