EasyManua.ls Logo

Kohler 20RCAL - Page 75

Kohler 20RCAL
92 pages
To Next Page IconTo Next Page
To Next Page IconTo Next Page
To Previous Page IconTo Previous Page
To Previous Page IconTo Previous Page
Loading...
TP-7091 4/23 75
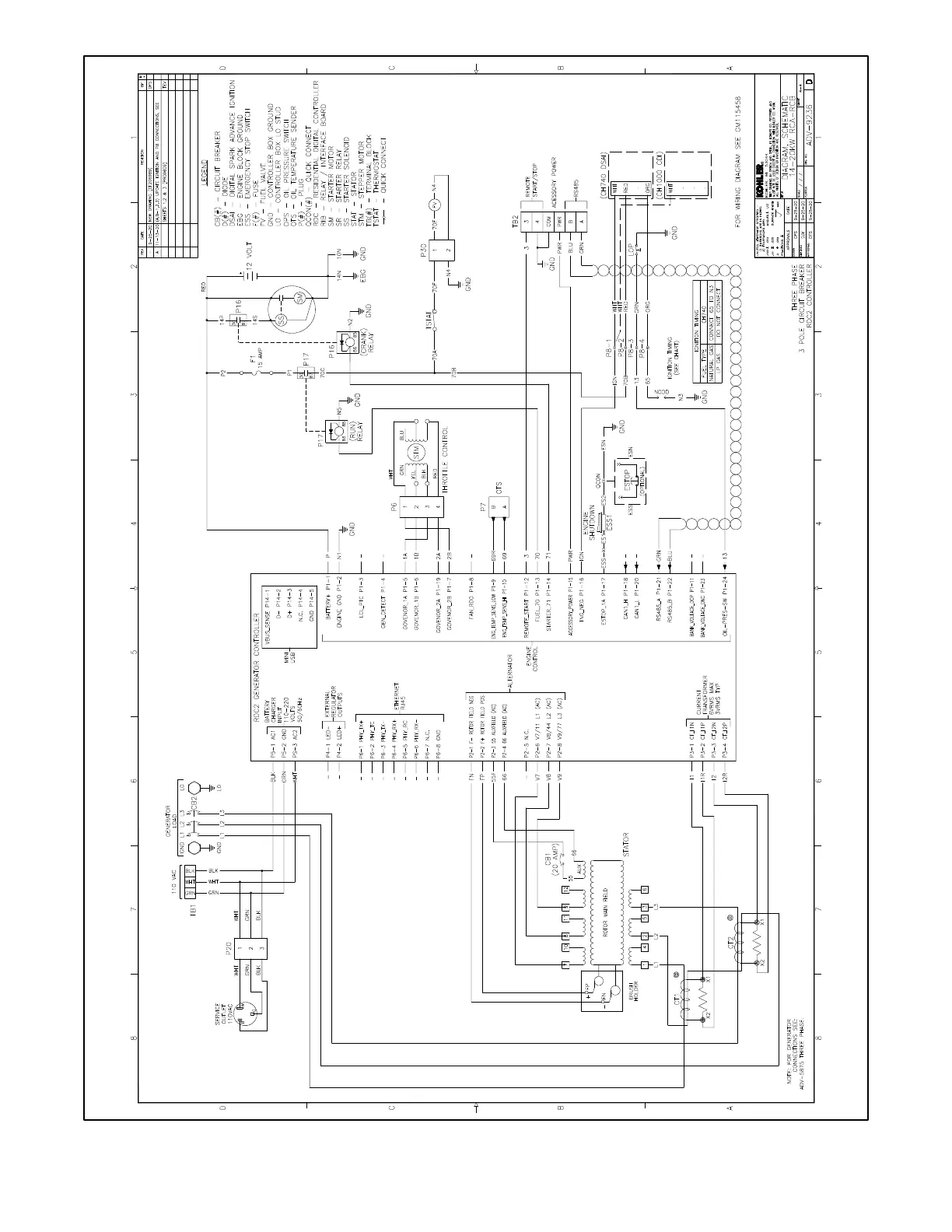
Figure 75 Schematic Diagram, 14/20RCA/L, ADV-9236 Sheet 4

Other manuals for Kohler 20RCAL

Related product manuals