EasyManua.ls Logo

Kohler 23EKOZD - Page 292

Kohler 23EKOZD
360 pages
Print Icon
To Next Page IconTo Next Page
To Next Page IconTo Next Page
To Previous Page IconTo Previous Page
To Previous Page IconTo Previous Page
Loading...
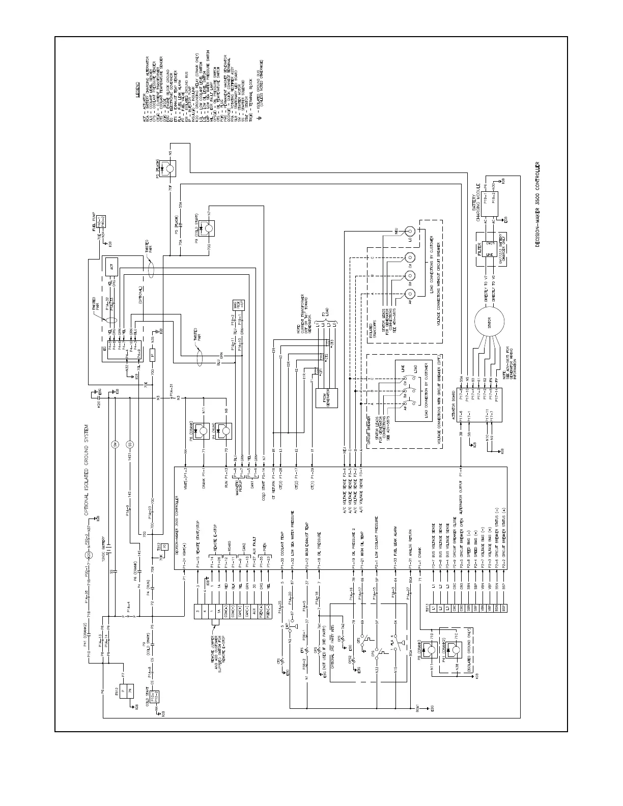
TP-6953 7/19292 Section 17 Wiring Diagrams
ADV8672B-G
Figure 17 -4 Wiring Diagram, Schematic (Sheet 2 of 2) for 13- 16EKOZD & 11- 20.5EFKOZD Models

Other manuals for Kohler 23EKOZD

Related product manuals