EasyManua.ls Logo

Kohler 23EKOZD - Page 293

Kohler 23EKOZD
360 pages
Print Icon
To Next Page IconTo Next Page
To Next Page IconTo Next Page
To Previous Page IconTo Previous Page
To Previous Page IconTo Previous Page
Loading...
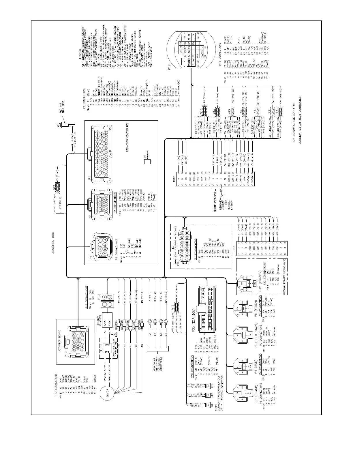
TP-6953 7/19 293Section 17 Wiring Diagrams
GM96796A-G
Figure 17 -5 Wiring Diagram, Point-to-Point (Sheet 1 of 2) for 20- 24EKOZD 12-Volt Models

Other manuals for Kohler 23EKOZD

Related product manuals