EasyManua.ls Logo

Kohler 40EKOZD

Kohler 40EKOZD
168 pages
To Next Page IconTo Next Page
To Next Page IconTo Next Page
To Previous Page IconTo Previous Page
To Previous Page IconTo Previous Page
Loading...
106 TP-7044 6/23
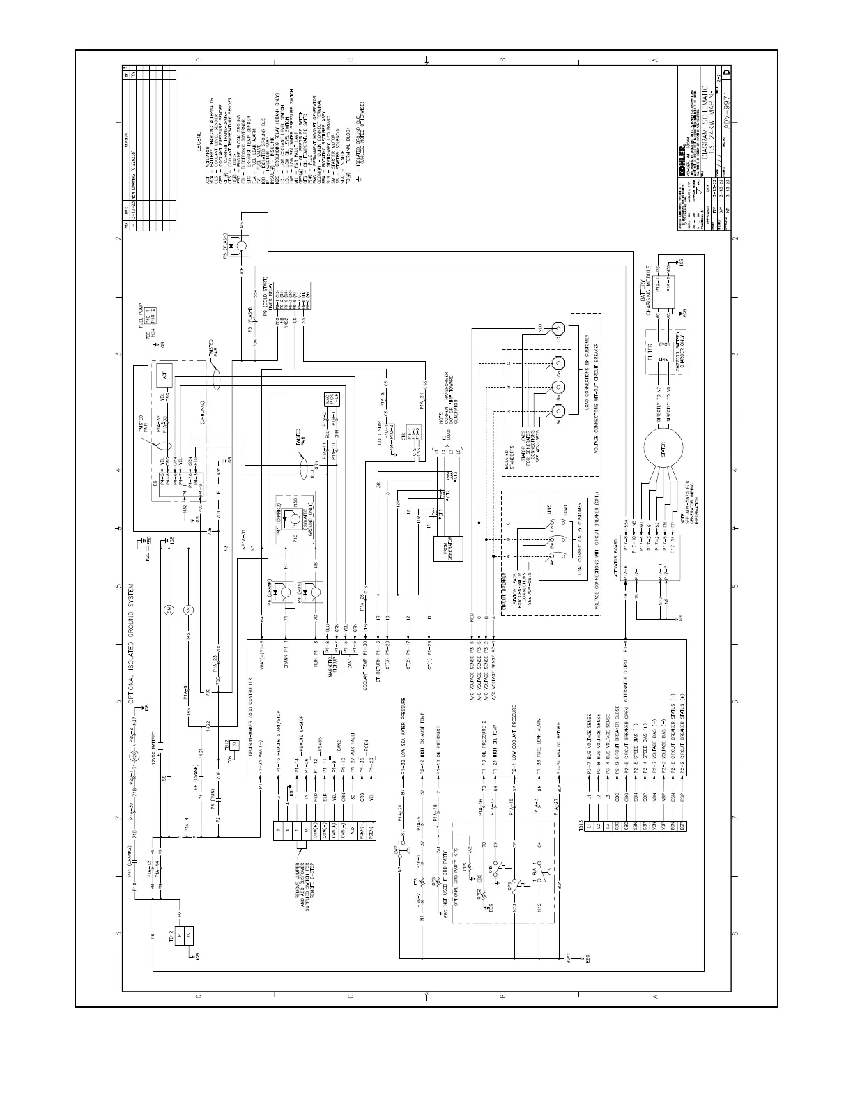
Figure 53 Wiring Diagram, Schematic (Sheet 2 of 2) for 14/16EKOZD Models

Table of Contents

Other manuals for Kohler 40EKOZD

Related product manuals