EasyManua.ls Logo

Kohler 6.5EFOZ - 7.7 Rectifier Module; 7.8 Rotor

Kohler 6.5EFOZ
60 pages
Print Icon
To Next Page IconTo Next Page
To Next Page IconTo Next Page
To Previous Page IconTo Previous Page
To Previous Page IconTo Previous Page
Loading...
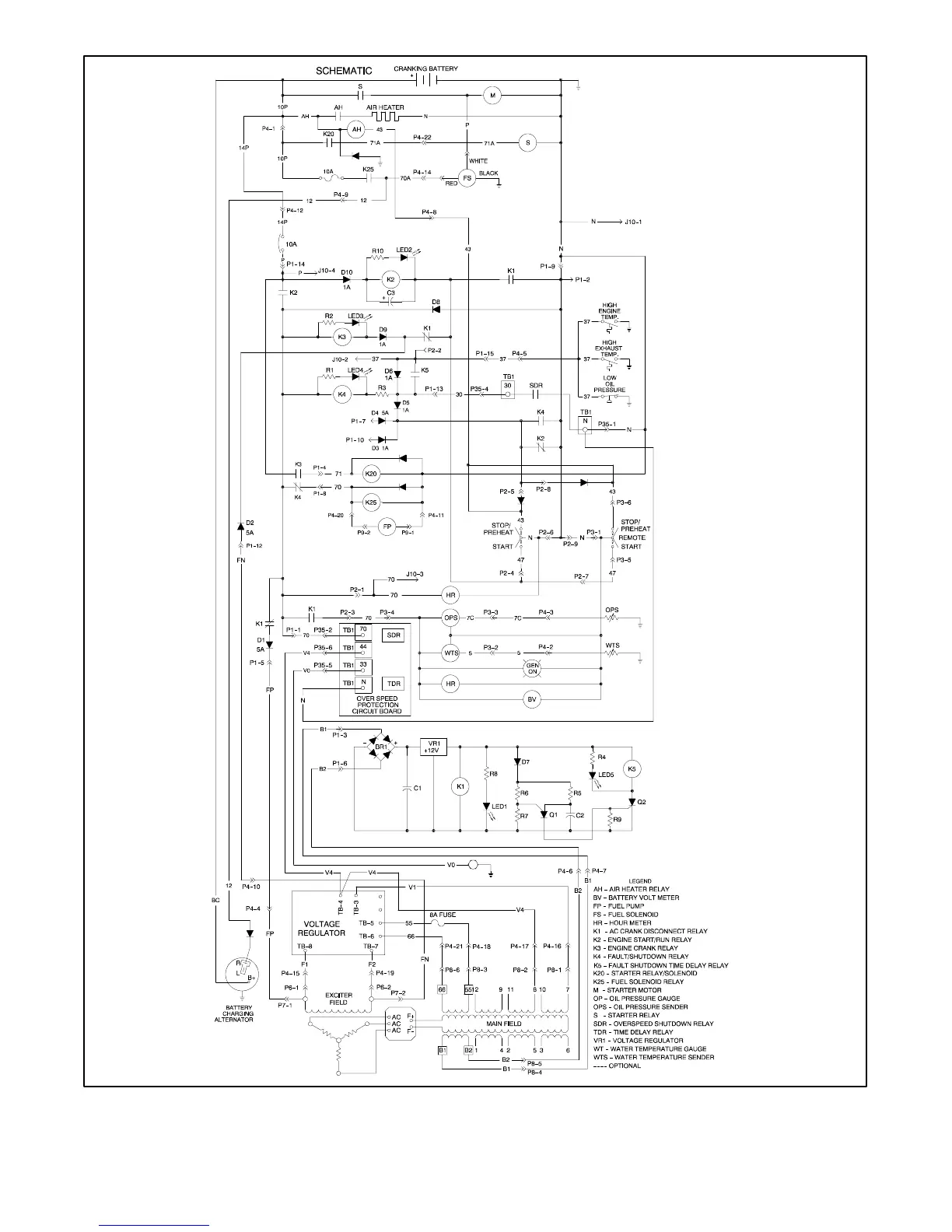
TP-6068 10/0236 Section 5 Wiring Diagrams
229938-B
Figure 5-7 Schematic Wiring Diagram—11.5/17.5/20/23/27EFOZ and 14/20/24/28/32EOZ
(3-Phase Models)

Other manuals for Kohler 6.5EFOZ

Related product manuals