EasyManua.ls Logo

Kohler 6000 Series

Kohler 6000 Series
96 pages
To Next Page IconTo Next Page
To Next Page IconTo Next Page
To Previous Page IconTo Previous Page
To Previous Page IconTo Previous Page
Loading...
10
Speci cations
KohlerEngines.com 32 690 03 Rev. I
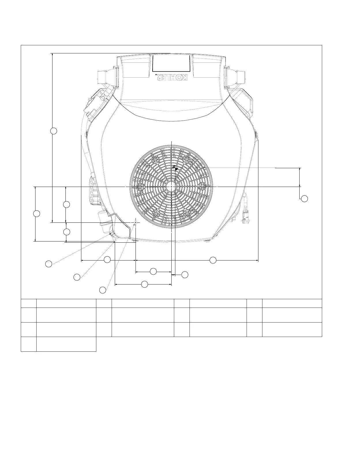
Engine Dimensions with PRO Performance Air Cleaner-Flywheel Side
F
E
G
H
I
K
A
B
D
C
J
L
M
A 424.7 mm (16.72 in.) B 136.7 mm (5.38 in.) C 89.6 mm (3.53 in.) D 50.1 mm (1.97 in.)
E
Oil Fill and Dipstick
(Yellow)
F
Fuel Line Connection
Point
G 136.9 mm (5.39 in.) H Mounting Hole "A"
I 141.5 mm (5.57 in.) J 89.7 mm (3.53 in.) K
9.7 mm (0.38 in.)
Center of Gravity
L 307.9 mm (12.12 in.)
M
47.0 mm (1.85 in.)
Center of Gravity

Related product manuals