EasyManua.ls Logo

Kohler Courage SV620

Kohler Courage SV620
76 pages
To Next Page IconTo Next Page
To Next Page IconTo Next Page
To Previous Page IconTo Previous Page
To Previous Page IconTo Previous Page
Loading...
41
Electrical System
20 690 01 Rev. F KohlerEngines.com
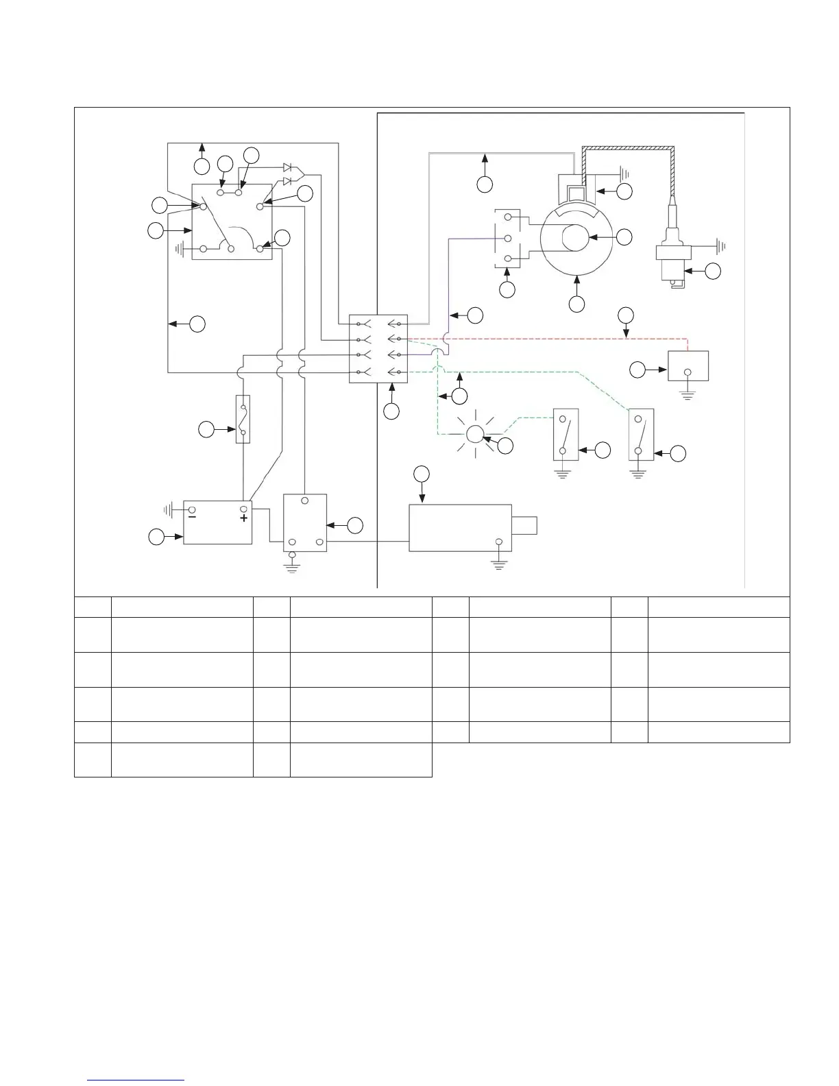
Wiring Diagram-9 or 15 Amp Regulated Battery Charging System
H
G
D
R
S
J
N
P
L
Q
E
C
T
O
U
A
M
F
I
K
J
T
P
Q
B
B
V
AC
AC
B+
A Red B Green C Violet D White
E Spark Plug F Optional Fuel Solenoid G
Optional Oil Sentry
Switch (Shutdown)
H Bendix Starter
I Engine Connector J Starter Solenoid K
Optional Oil Sentry
Switch (Indicator Light)
L Ground-To-Kill Lead
M Key Switch N
Optional Oil Sentry
Shutdown
O Optional Fuse P Battery
Q Recti er-Regulator R Flywheel S Stator T Ignition Module
U Accessory V
Optional Oil Sentry
Switch (Indicator)

Other manuals for Kohler Courage SV620

Related product manuals