EasyManua.ls Logo

Kohler KG40

Kohler KG40
176 pages
To Next Page IconTo Next Page
To Next Page IconTo Next Page
To Previous Page IconTo Previous Page
To Previous Page IconTo Previous Page
Loading...
TP-6694 6/22 93
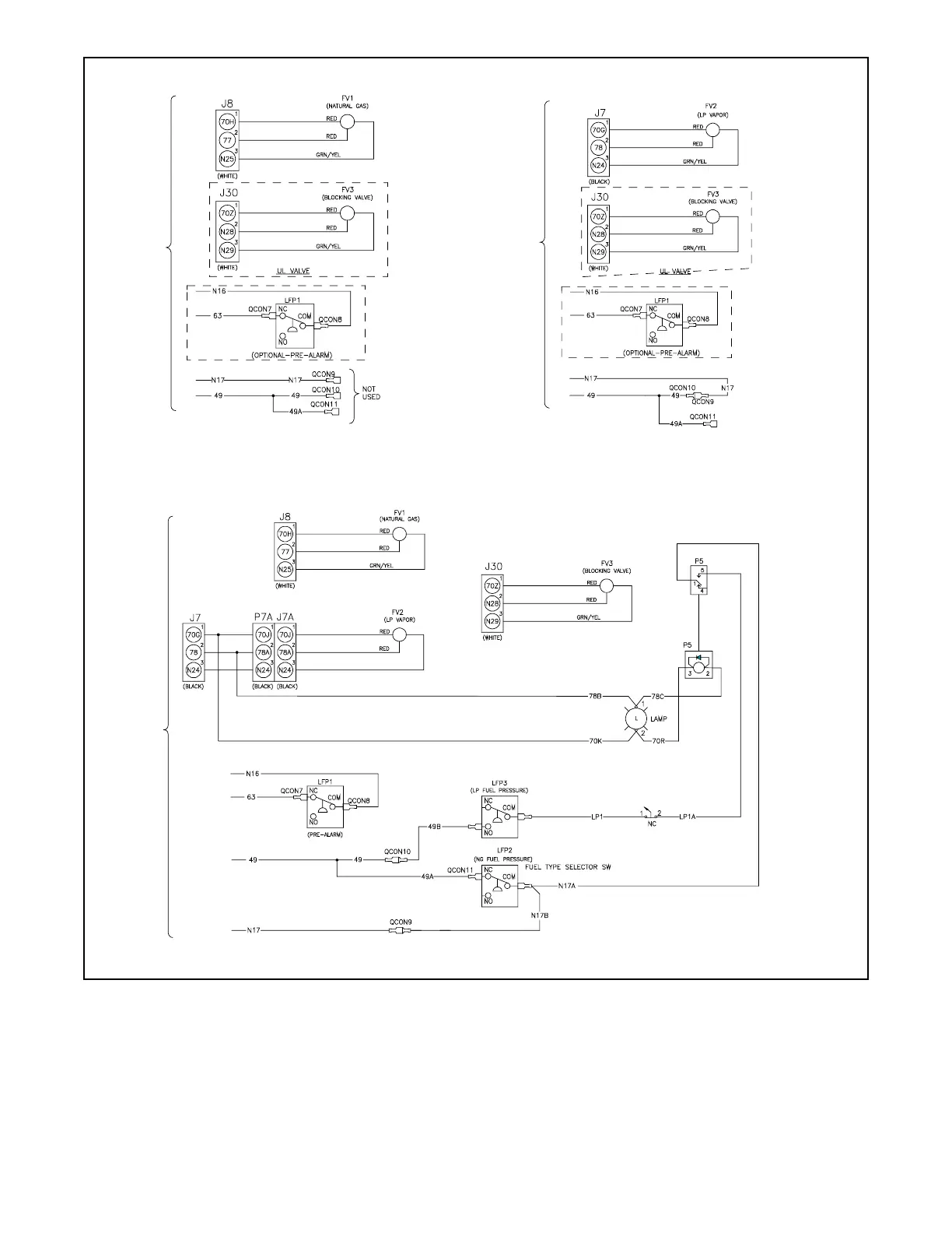
Figure 40 Gaseous Fuel Connections Wiring Diagram, KG80KG125/KG80RKG125R
Natural Gas
LPG Vapor
Auto Changeover Natural Gas and LPG Vapor
To ECM
and
controller
To ECM
and
controller
To ECM
and
controller
ADV-9052D-D

Table of Contents

Related product manuals