EasyManua.ls Logo

Kohler KG40

Kohler KG40
176 pages
To Next Page IconTo Next Page
To Next Page IconTo Next Page
To Previous Page IconTo Previous Page
To Previous Page IconTo Previous Page
Loading...
TP-6694 6/22 99
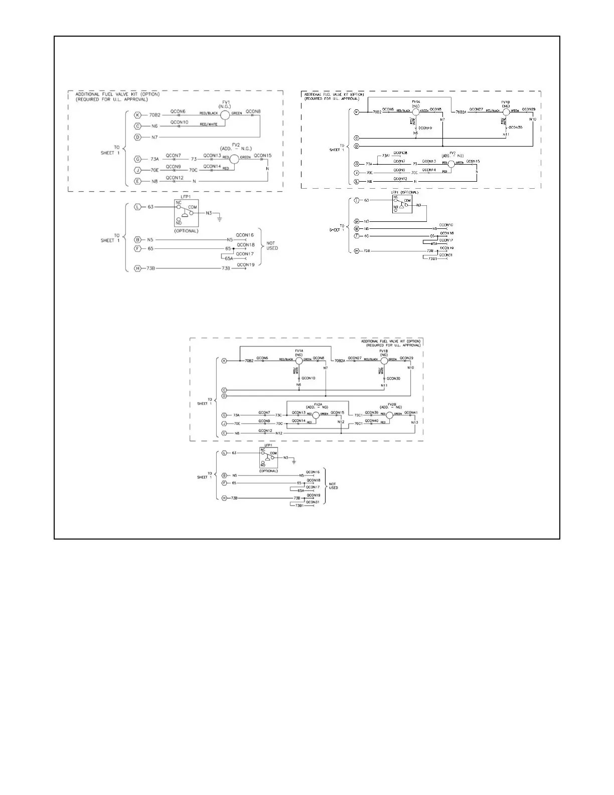
Figure 45 Natural Gas with Additional UL Fuel Valve
Natural Gas
ADV-7968-G
ADV-7994-K
180 200 kW (11 L)
300 500 kW (18 22 L)
ADV-7968-G
250 300 kW (14.6 L)

Table of Contents

Related product manuals