EasyManua.ls Logo

Kohler LOMBARDINI 9 LD 626-2 NR / CE

Kohler LOMBARDINI 9 LD 626-2 NR / CE
140 pages
To Next Page IconTo Next Page
To Next Page IconTo Next Page
To Previous Page IconTo Previous Page
To Previous Page IconTo Previous Page
Loading...
119
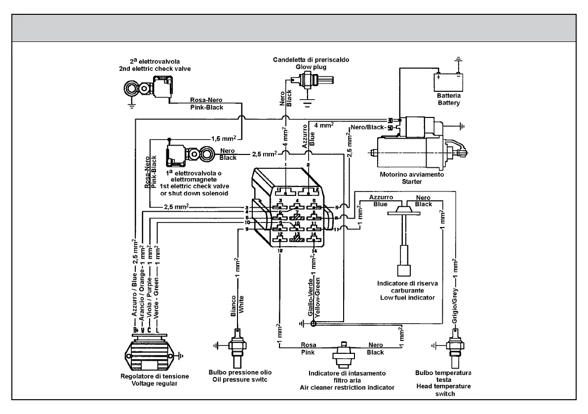
4) Schema elettrico cablaggio motore completo - Schaltplan der kompletten


Table of Contents

Other manuals for Kohler LOMBARDINI 9 LD 626-2 NR / CE

Related product manuals