EasyManua.ls Logo

koppel KV 36ODU-ARF21 - Wiring Diagrams

Default Icon
144 pages
Print Icon
To Next Page IconTo Next Page
To Next Page IconTo Next Page
To Previous Page IconTo Previous Page
To Previous Page IconTo Previous Page
Loading...
Wiring Diagrams
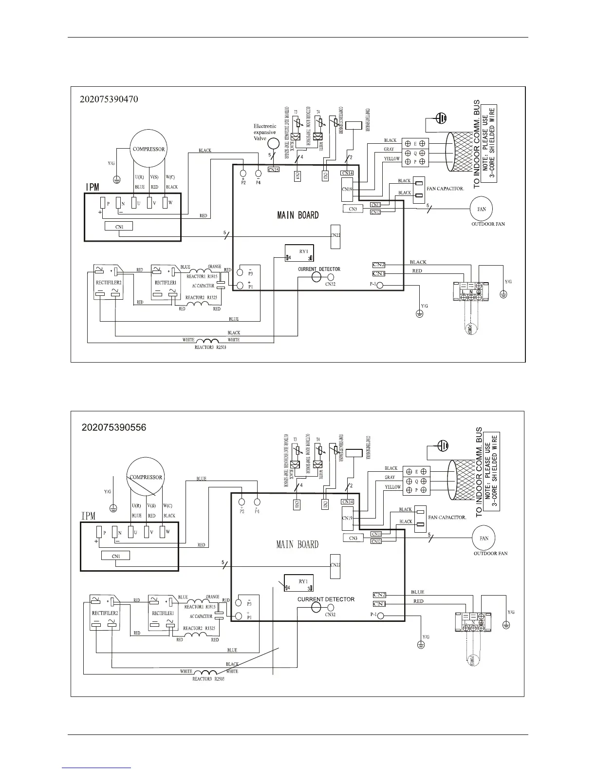
4. Wiring Diagrams
KV24ODU-ARF21(220075301510)
KV24ODU-ARF21(220075301740)
68

Table of Contents

Related product manuals