EasyManua.ls Logo

koppel KV 36ODU-ARF21 - Page 73

Default Icon
144 pages
Print Icon
To Next Page IconTo Next Page
To Next Page IconTo Next Page
To Previous Page IconTo Previous Page
To Previous Page IconTo Previous Page
Loading...
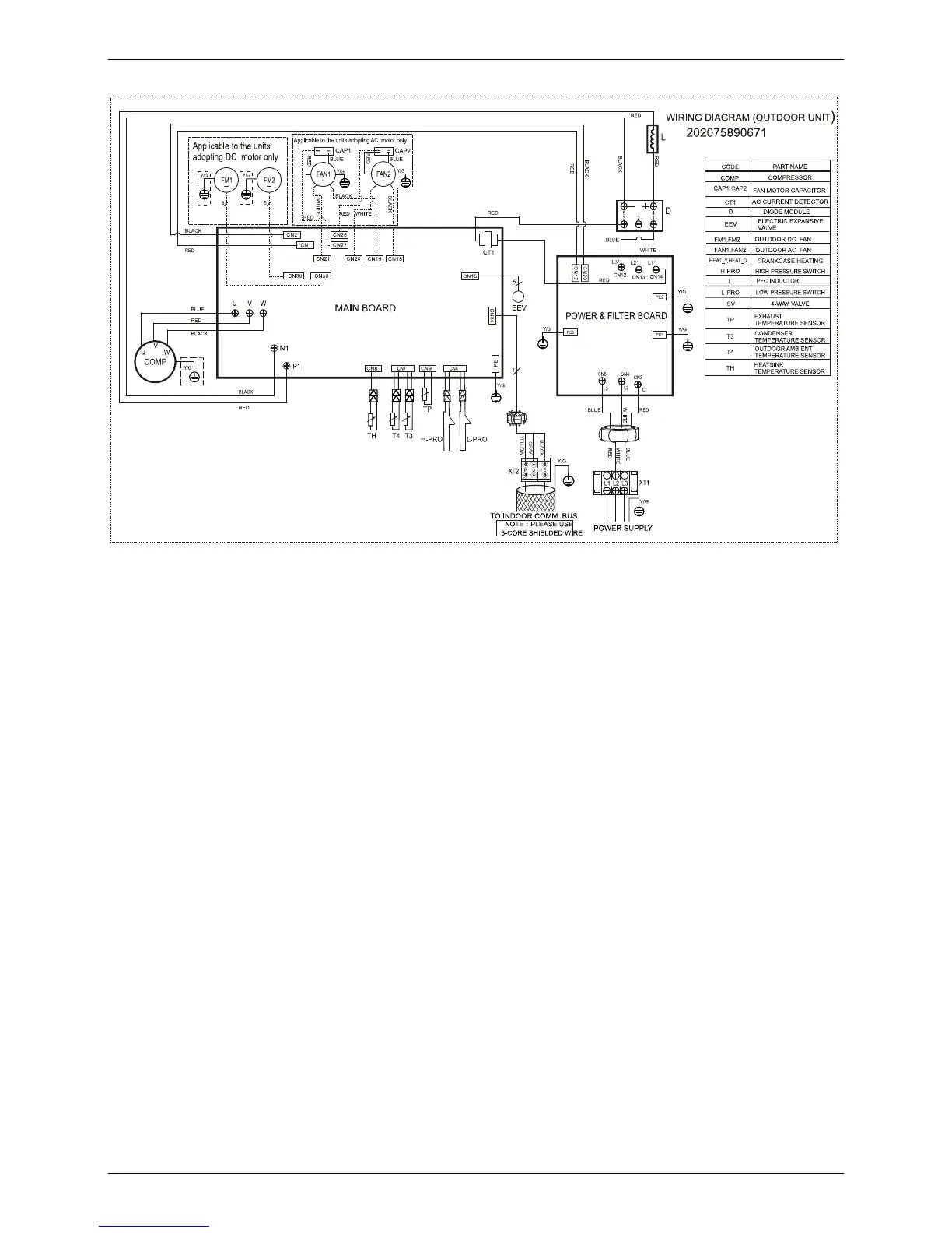
Wiring Diagrams
KV60ODU-CRF21
71

Table of Contents

Related product manuals