EasyManua.ls Logo

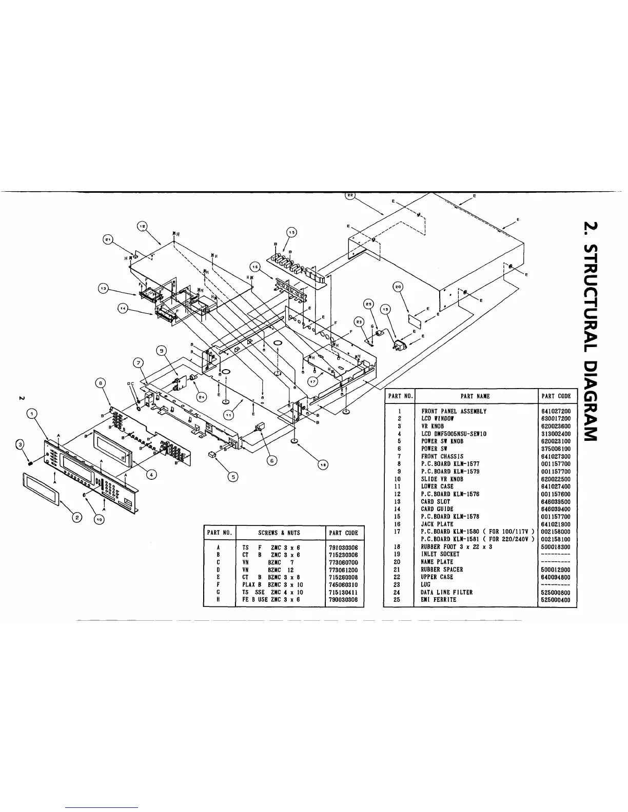
Korg 01R/W - Structural Diagram

Korg 01R/W
47 pages
Print Icon
To Next Page IconTo Next Page
To Next Page IconTo Next Page
To Previous Page IconTo Previous Page
To Previous Page IconTo Previous Page
Loading...

Related product manuals