EasyManua.ls Logo

KTM 200 XC - Page 58

KTM 200 XC
71 pages
Print Icon
To Next Page IconTo Next Page
To Next Page IconTo Next Page
To Previous Page IconTo Previous Page
To Previous Page IconTo Previous Page
Loading...
ANHANG – APPENDICE
APPENDIX – APÉNDICE
1
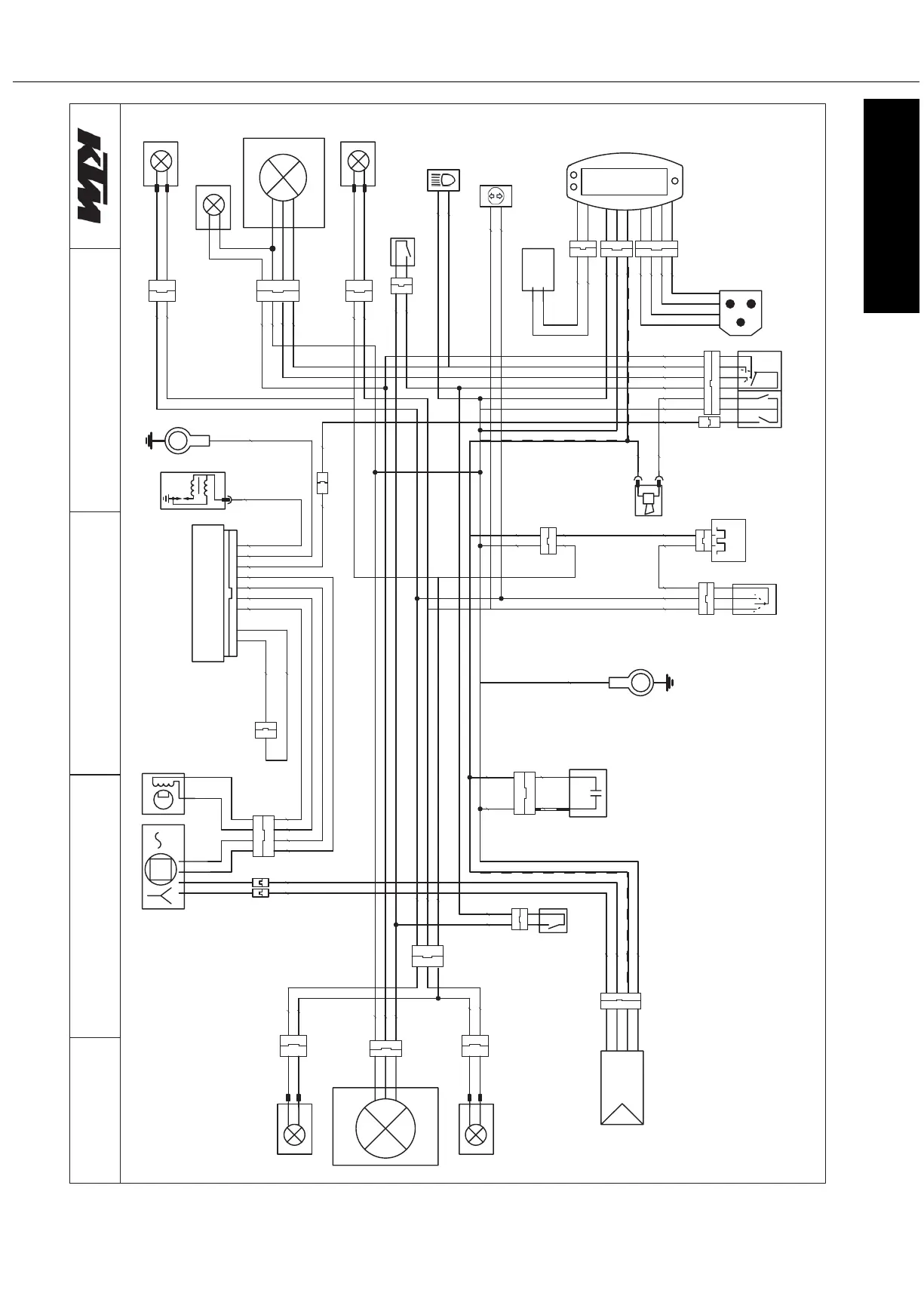
SCHALTPLAN » WIRING DIAGRAMM
7002 003-521 CXE
margaid gniriw
ssenrah niam
6/1
hctiws rehsalf
3/T
B_C
3/GB_
C
hctiws ekarb
raer
2/HA_C
2/KA_C
rehsalf tnorf tfel
rehsal
f
t
norf thgir
rehsalf raer thgir
rehsalf raer tfel
driving light lamp
flasher control lamp
l
i
o
c
n
o
it
in
gi
2/VB_C
2/OB_C
brake switch
front
C_AH1/2
C_AK1/2
nroh
C_BF/1
C_BA/1
hctiws maeb wol/hgih
6/
CA
_C
h
c
tiws nro
h
6
/CB_
C
no
t
tub
po
t
s
1/1AB_C
1/
1
FB
_
C
G
yaler
reh
salf
2/
2HA_C
C_AJ1/3
C_BG1/3
rear light/brakelight
C_AJ/3
C_BG/3
roticapac
v
rosnes deeps
hctiws rab el
d
nah
)l
a
noitpo(
2/LA_C
2/TA_C
U
reifitcer-rotaluger
C_CE/4
C_CA/4
headlight
C_BP/4
C_DG/4
C
D
I
81/UB_
C
G
3
rotareneg
pu kcip
4/NA_C
4/UC_C
1/RC_C1/RC_C
multi-func.-digital-speedometer
C_CY/3
C_CZ/3
C_DA/4
C_DB/4
C_CW/2
C_CX/2
C_CW/2
C_CX/2
C_CW1/2
C_CX1/2
C_CW2/2
C_CX2/2
C_CW3/2
C_CX3/2
C_AY/1
C_BJ/1
2
3
4
2
6
3
5
1
1
1
1
1
1
1
2
1
1
2
2
2
2
2
2
2
2
4
2
053.570.11.845
1
1
1
2
3
3
1
4
4
3
3
3
2
1
3
3
124
21
5
6
01117
1
2
1
2
1
2
1
2
rotceles evruc noit
i
ng
i
er-ey
ey
hw
rb
rb
lb
hw-n
g
hw
rb
rb
up
re-wh
re-bl
gn
re
re
gn
re-bl
re-wh
bu-wh
br
ye-bl
bl-wh
br
ye-bl
ye
wh-gn
br
or
pu
bl
or
ye-re
br
re
ye
gn
bu
wh
rb
lb
r
b
rb
up
u
b
ng
er
er-ey
ye-re
br
ye-re
br
lb-
e
y
lb
-ey
or
bl-wh
ey
ng-hw
ub
rb
lb
up
lb
lb
er
ub
h
w
rb
ye
wh
er-ey
lb-rb
rb
ye-re
br
rb
l
b
up
h
w
lb-rg
r
g

Table of Contents

Related product manuals