EasyManua.ls Logo

KTM 300 MXC - Page 56

KTM 300 MXC
67 pages
Print Icon
To Next Page IconTo Next Page
To Next Page IconTo Next Page
To Previous Page IconTo Previous Page
To Previous Page IconTo Previous Page
Loading...
ANHANG – APPENDICE
APPENDIX – APÉNDICE
1
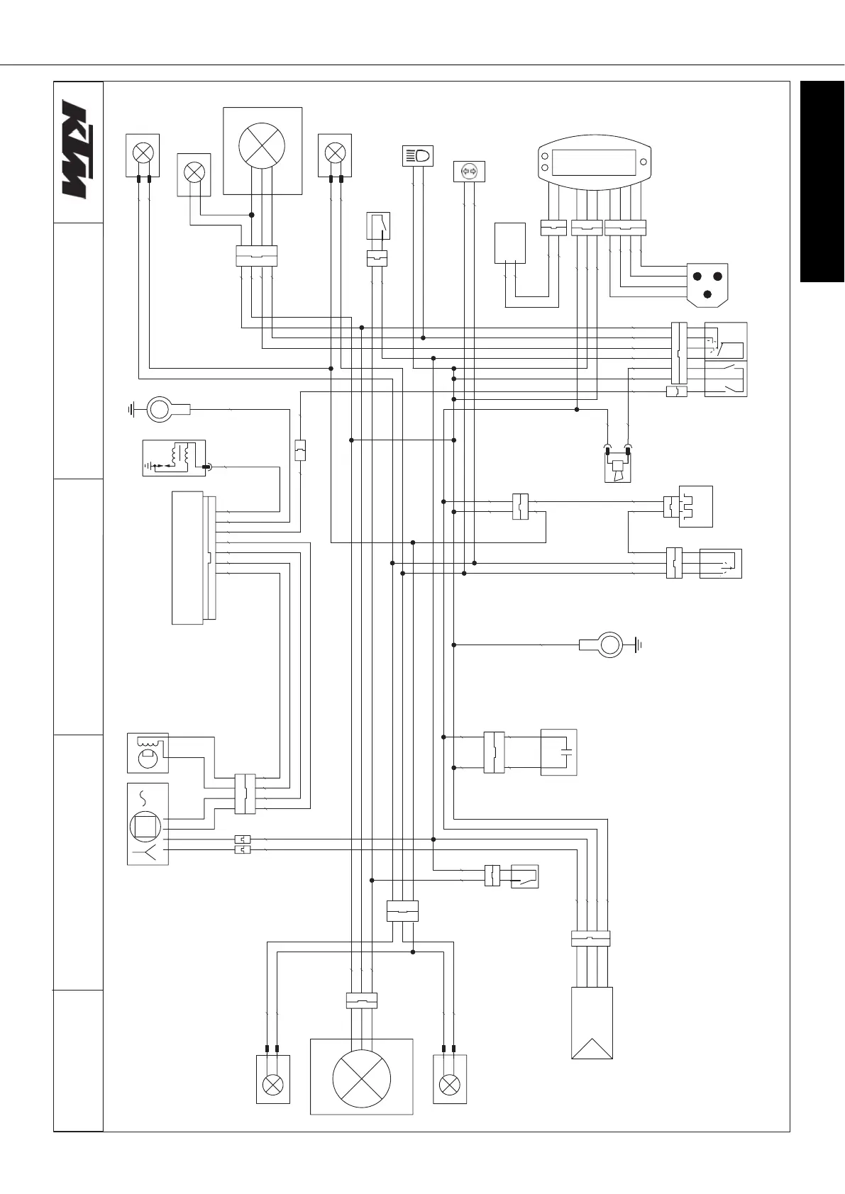
SCHALTPLAN » WIRING DIAGRAMM
y
al
e
r
r
ehsalf
G
n
o
tt
u
b
p
ot
s
bl-wh
or
rb
h
w
hct
iws
n
ro
h
h
c
tiws mae
b
wol/
h
g
i
h
v
ub
er
l
b
lb
l
b
roticapac
U
lb
rotareneg
nroh
front
brake switch
mmargaid gniriw
5002 003-521 CXE
hctiws reh
s
alf
ssenrah niam 4002.20.02052.570.11.845
li
o
c no
i
tin
g
i
flasher control lamp
driving light lamp
rehsalf raer tfel
rehsalf raer th
g
ir
rehsalf t
n
orf thgir
hctiws r
a
b eld
n
ah
)lano
i
tpo(
re
hsa
lf
t
no
rf
tfel
raer
hctiws ekarb
rear light/brakelight
I
D
C
lb-ey lb
-
e
y
hw
br
multi-func.-digital-speedometer
ye-re
br
ye-re
er-ey
headlight
er
G
3
ng
ub
up
r
b
rb
lb
rb
lb-rb
er-
ey
rb
wh
bu
gn
ye
re
br
ye-re
or
bl
pu
or
br
wh-gn
ye
ye-bl
br
bl-wh
ye-bl
br
bu-wh
re-wh
reifitcer-rotaluger
re-bl
gn
re
re
gn
u
p
lb
re-bl
re-wh
ye
wh
u
p
rb
rb
hw
h
w
-n
g
br
ye-re
l
b
r
b
rb
ub
rb
hw
ng-hw
ey
ey
er-ey
rosnes de
e
ps
pu k
ci
p

Table of Contents