EasyManua.ls Logo

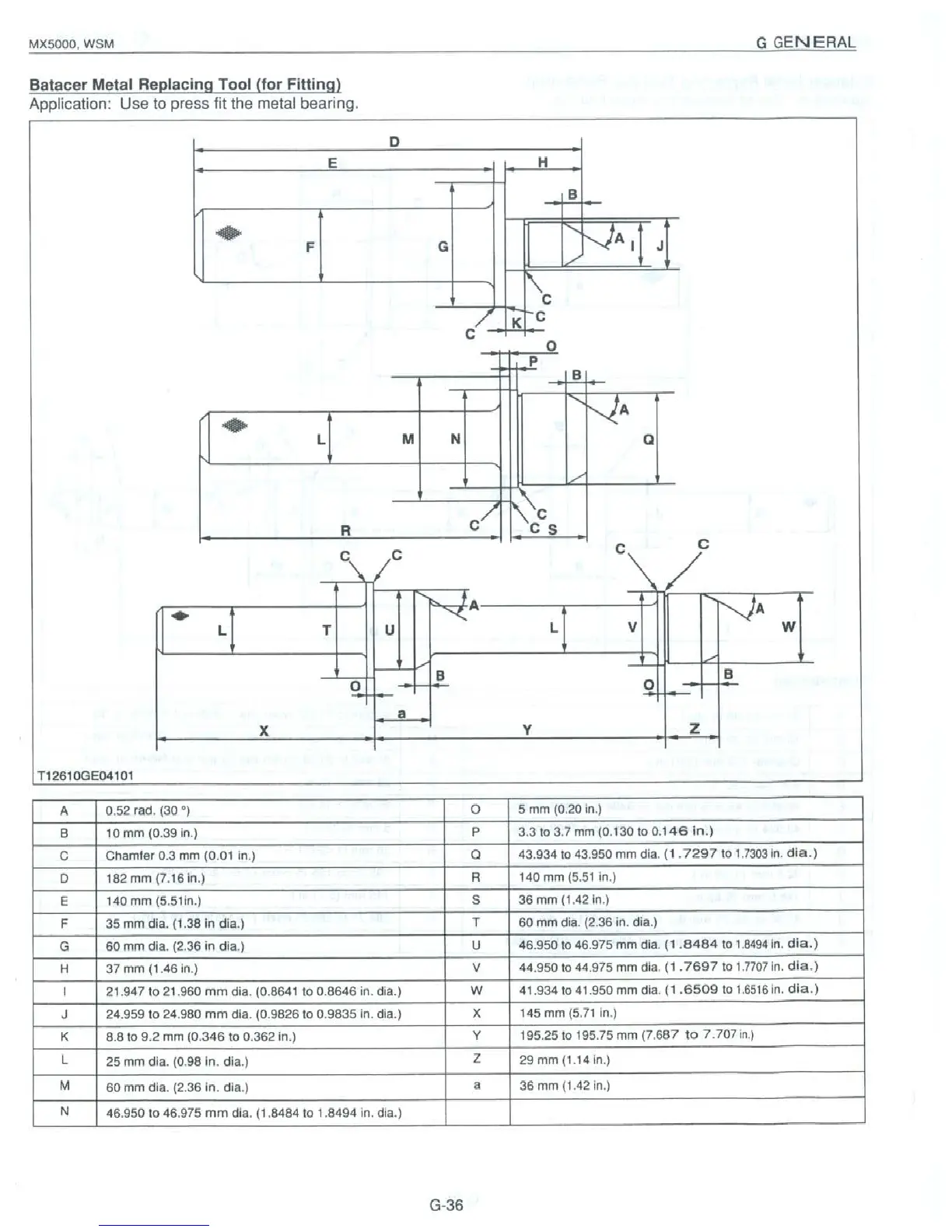
Kubota MX5000 - Balancer Metal Replacing Tool (for Fitting)

Kubota MX5000
316 pages
Print Icon
To Next Page IconTo Next Page
To Next Page IconTo Next Page
To Previous Page IconTo Previous Page
To Previous Page IconTo Previous Page
Loading...

Table of Contents

Related product manuals