EasyManua.ls Logo

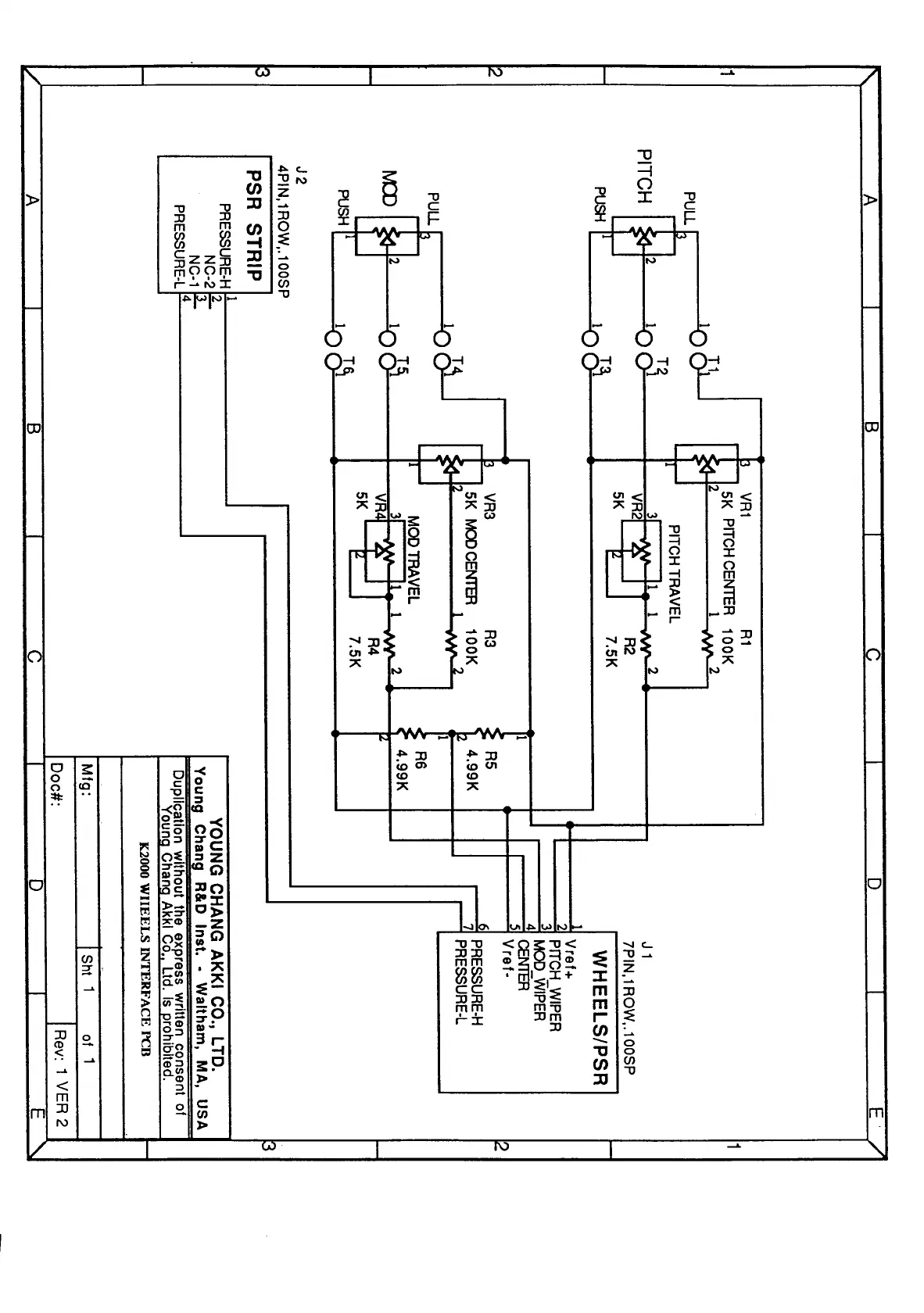
Kurzweil K2000, K2000R - Wheels Interface PCB

Kurzweil K2000, K2000R
133 pages
To Next Page IconTo Next Page
To Next Page IconTo Next Page
To Previous Page IconTo Previous Page
To Previous Page IconTo Previous Page
Loading...

Table of Contents

Related product manuals