EasyManua.ls Logo

Kustom 72 Coupe - Page 2

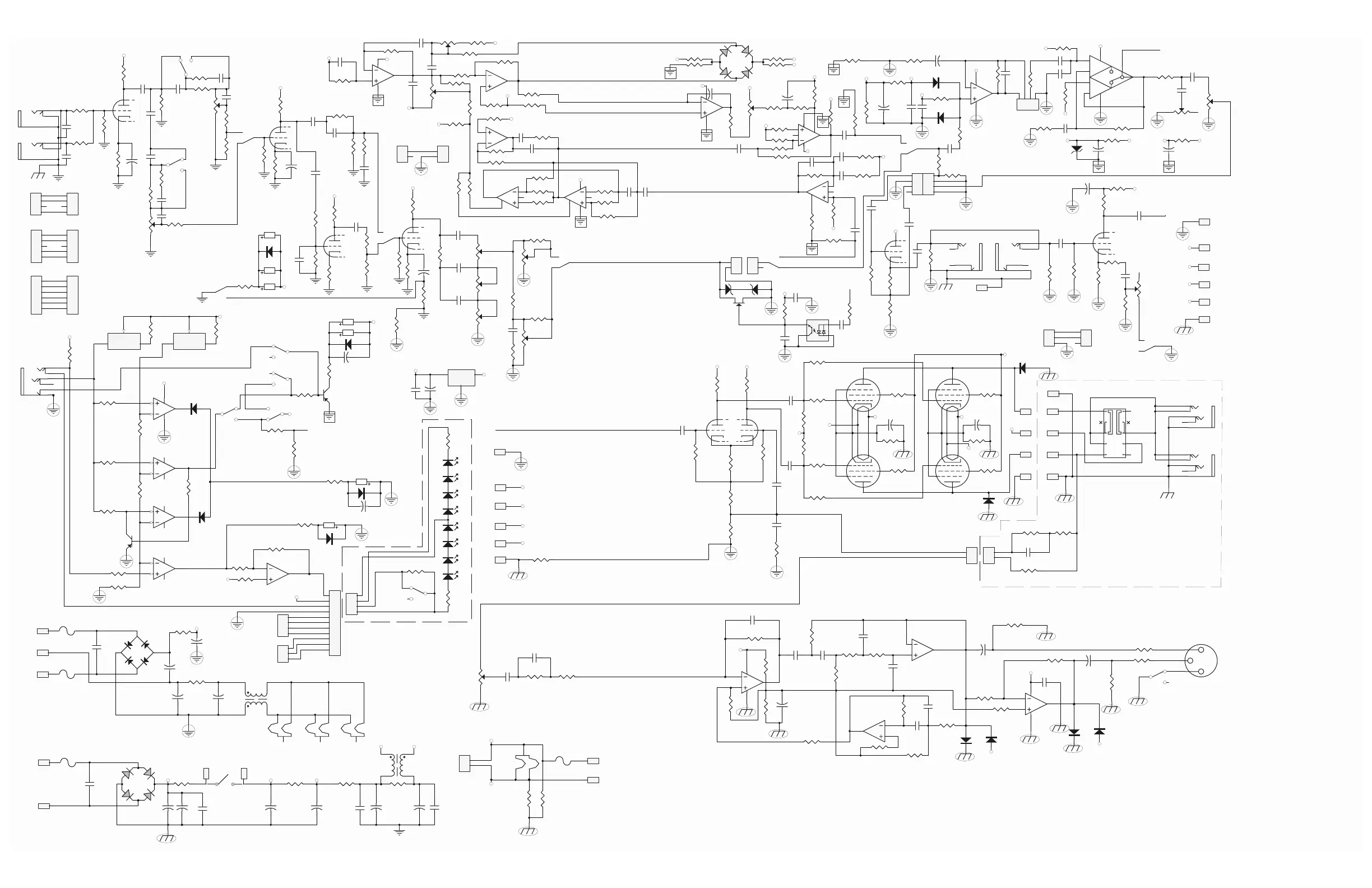
Kustom 72 Coupe
4 pages
Print Icon
To Next Page IconTo Next Page
To Next Page IconTo Next Page
To Previous Page IconTo Previous Page
To Previous Page IconTo Previous Page
Loading...
5
4
3
8
2
7
1
V6
6L6/EL3 4
5
4
3
8
2
7
1
V5
6L6/EL3 4
R4
4. 7K
R5
4. 7K
R96
150K
R97
150K
-28V
R98
82 /1 0W
+
C59 100/100
R95
1K/5W
R94
1K/5W
6VAC+
6VAC-
1
2
3
V4A
12AX 7
7
6
8
V4B
12 AX 7
R25
100K /.5W
R24
82K /.5 W
C30
.047/400
C31
.047/400
R46
1M
R71
470
R47
1M
R78
10K/ 1W
R99
4. 7K/1 W
C27
.1/400
C13
.022/400
+360V +360V
+380V
R26
18K
C60
.0082
C14
.0 047/400
R18
4. 7K
R100
68K
D13
R3000
D14
R3000
+400V
1
J34
6V AC+ PT
1
J35
6V AC- PT
6VAC+
6VAC-
F4
T1 0A
1
J22
BLUE OT
1
J24
RED OT
1
J26
BROWN OT
Feedback/4ohm
R102
100/1W
R101
100/ 1W
5
9
4
V4C
12AX7
+360V
+380V
1
J21
ORA NGE OT
1
J25
GRE EN OT
1
J28
YE LLO W O T
1
J29
BLACK GND
R
RS
S
T
TS
J38
INT SPKR
R
RS
S
T
TS
J39
EXT SPKR
1
3
4
56
7
8
10
SW3
IMPEDANCE
Speaker Jacks
C57
.2 2/50
R50
15K
CW
VR1 1
1K A
R51
4. 7K
C55
.22/50
R84
2. 2K
5
6
7
IC3B
4560
3
2
1
8 4
IC3A
4560
R85
8. 2K
C49
.022/50
R66
10k
R67
10k
R65
10k
+
C53
22/50
C54
.3 3/50
C56
.3 3/50
R82
1k
R73
22k
R83
2. 7k
R49
2. 7k
C50
.047/50
C58
.0082/50
5
6
7
IC4B
4560
C38
.022/50
R90
27k
R52
2. 2k
C39
.022/50
R93
560
R91
27k
R92
15 k
3
2
1
8 4
IC4A
4560
2
1
3
J3 7
XLR Jack
R86 300/1%
+
C51
22/50
C35
.1/50
R88
10k/1%
+
C52
22 /5 0
R3
4. 7k
R87 300/1%
R8
22 k
R9
22k
R89
10k/1%
SW2A
Direct Out
Impedance Selector
Output Transformer
FILAMENT
Direct Out Level
To Preamp/Supply Board
Chassi s G round
1
2
3
V1A
12AX7
7
6
8
V3B
12AX7
R13
120k /.5W
C11
.022/400
+300V
5
9
4
V1C
12AX 7
+360V
+380V
To Preamp/
Supply Board
T
TS
S
J2
HI GAIN IN
T
TS
S
J3
LO GA IN IN
R28
47k
R30
47k
C21
10 0p F
C22
10 0p F
R43
1M
R15
1k
+
C2
22/50
R41
1M
C15
.0 022/50
R33 220k
R29
47 k
R20
10 0k
C18
68 0p /5 0
C20
470p
R63
10 k
CW
VR5
250KA
C23 220p/400
R21
10 0k
C26
.033/400
C29
.047/400
CW
VR6
250KA
CW
VR9
10KA
+320V
R54
3. 3k
R31
100k/0 .5 W
CW
VR8
1MA
R44
1M
7
6
8
V1B
12AX7
CW
VR7
25 0k A
R36 82k
C24
.0 082/50
SW1
channel
R53
1. 8k
1
2
3
V2 A
12AX 7
1
2
3
V3A
12 AX 7
7
6
8
V2B
12 AX 7
R10
120k / .5W
+320V
C12
.0 22/4 00
R39
1M
R42
1M
R60
12 0k / .5W
+300V
R55
1. 8k
+
C36
22/5 0
C32
.0 01/4 00
R35
470k
R45
1M
C19
470p
R72
15k
R12
100k / .5W
+320V
C28
.0 47/4 00
R37 470K
R62
82 K
R22 68k
Treble
Bass
Mid
Clean Master
Lead Master
R56
220k
Clean Volume
Lead Volume
T
TS
SS
S
J4
FX SEND
3
2
1
8 4
IC1A
4560
R58
22 0k
CW
VR2
10 KB
-28V
C17
470p
R40
1M
R1
22
+
C1
22/50
R6
22 k
1
2
3
4
J1
REVERB
R14
1k
R19 100k/1%
-14V
C9
.1/50
C6
.1/50
-14V
R27
47k
R48
820
C8
.1/50
D1 1N 4148
D2
1N 41 48
-28V
C25
.0 01uF/5 0
R61
330K
C33
.0 22uF/4 00
T
TS
SS
S
J5
FX RETURN
C34
.1uF/50
R23
100k / .5W
C37
.0 22/4 00V
R64
22k
CW
VR10
25 0k C
R32
22 0k
R59
220K
R38
470k
D12
KBP0 6
1
J14
GRE EN PT
F2
T2A
1
J16
ORA NGE PT
1
J19
GRE EN PT
F3
T2A
+
C46
2200/3 5
+
C48
47 00 /3 5
+
C47
2200 /3 5
5
9
4
V2C
12 AX 7
5
9
4
V3C
12AX 7
-28V
1N 40 07 X 4
1
J6
RED PT
F1
T2A
1
J9
RED PT
+
C43
100/ 50 0
+400V
R75
4K /5 W
+
C44
47 /5 00
+380V
+
C40
47/5 00
+360V
R76
22K/ 1W
+
C41
22/4 50
+320V
+
C42
22/450
+300V
R77
10K/ 1W
R
RS
S
T
TS
SS
J36
FOOTSWITCH
R7
100k
R16
47
R17
47
D6
4148
D7
1N41 48
R69
1. 5k
R70
1. 5k
-28V
LED4
Lead
LED8
Clean
LED3
Lead
LED2
Lead
LED7
Clean
LED6
Clean
LED1
Lead
LED5
Clean
1
J10
STA NDBY
1
J11
STANDBY
C7
.1/50
R2
470
CW
VR3 25 0KA
C10
.33/50
Reverb Tone
Reverb Volume
STANDBY
Metal Film
Metal Film
Metal Film
Metal Film
VR4 B
BRIGHT
CW
VR4 A
250kA
VR1B
BR IGHT
CW
VR1 A
250k A
Metal Film Metal Film
Boost
D1 0
D11
D9D8
Metal Film
OUT
3
1
IN
2
ADJ
IC 8
LM317LZ
R11 4
100
OUT
3
1
IN
2
ADJ
IC 9
LM317LZ
R115
270
R112
470
(Normally Clean)
3
2
6
7
48
1
5
+
+
-
-
IC5
2120D
'72 Coupe
R104
100k/1 %
-14V
-28V
REVERB
D1 6
1N 41 48
D15
1N4148
D5
1N4148
boos t
channel
R110
6. 8k
R107
10k
REVERB
-24V
5
6
7
IC1B
4560
R105
100k
R106
47k
RLY2A
SPDT
RLY3A
SPDT
RLY1A
SPDT
RLY4A
SPDT
RLY4B
SPDT
RLY3B
SPDT
RLY1B
SPDT
RLY2B
SPDT
James Brown
1
2
J41
CON FDBK
1
2
J40
CON FDBK
1
2
3
4
J43
CON6
-28V
1
2
3
4
5
6
7
8
9
10
11
J4 4
CON6
+300V
+320V
+300V
+320V
REVERB
MUTE
NETIC15_13
1
2
J52
PILOT
Net C37_ -
Net C37_ -
NetC23_ +
1
2
3
4
5
J32
TO PWR A MP
1
2
3
4
5
J23
TO PREAMP
MUTE
NETD5_K
NetR34_ 2
Net C11_ -
1
2
3
4
J20
TO PWR AMP
1
2
3
4
J17
TO PWR A MP
+380V
+360V
+320V
+300V
gnd1
Net C47_ -
gnd1
Net C47_ -
GND2
1
J12
BLA CK GN D
+
C62
10 /3 5V
+
C73
2200/35
R127
10/1W
C5
.2 2uF/50
R122
3. 9k
+360V
C69
270p
R113
1M
C68
270p
C66
33p
R117
220k
R120
100k
R125
15 k
C67
.015/50
1
J15
BLACK OT
1
J13
BLACK OT
R121 100k
-14V
Vin
I
G
G
Vout
O
IC7
LM7 924
+
C72
22/35V
C65
.1/50
-24V
R118
220k
C70
270p
-24V
-24V
D29
1N 41 48
D28
1N41 48
-24V
D27
1N41 48
D26
1N4148
-24V
R123
47 FP
R124
47 FP
R81
1k
+
C45
22 /5 0
R108
1k
-14V
R12 9 10k /.5 W
+
C74
22/4 50
+
C86
47/5 00
R74
400/10 W
5
4
3
8
2
7
1
V7
6L 6/ EL3 4
5
4
3
8
2
7
1
V8
6L6/EL3 4
6VAC+
R163
1K/5 W
R160
4. 7K
R164
4. 7K
R161
1K/5 W
R162
82 /1 0W
+
C85 100/100
6VAC-
D3 4
1N41 48
tremolo
RLY5B
SPDT
+
C84
22/35V
RLY6B
SPDT
SW4BSW4 A
-24V
R159
100
RLY5A
SPDT
RLY6A
SPDT
3
2
1
8 4
IC10A
45 60
R13 1 316K/1%
R140
330K
C76
.0 1uF/ 50
C78
47pF/50
-13V
-26V
-13V
CW
VR1 3
10KA
Vibrato
R141
10 k
R149
100k
-26V
C77 .1uF/50
C75 2.2uF/50
R1303. 3k
Speed
5
6
7
IC10B
4560
R139
24.9 K/1%
R136
24.9 K/1%
R144
10K
-13V
-13V
R138
3. 92K/1%
1N 41 48 X 4
D31D30
D33
D32
R134
6. 19K/1%
R132 22 1K/1%
-13V
-26V
R13 7 3. 92 K/1%
R13 3 6. 19K/1%
-13V
CW
VR1 4
10KA
Tremolo
5
6
7
IC11B
4560
3
2
1
8 4
IC11A
4560
R143 10K
R145 10K
-26V
R146
39K
+
C81 1/35V
R147
12K
R142
12K
R150
10 0k
C79
.1uF/50
-13V
R135
0
-26V
R156
100
-26V
R155
1k
-13V -26V -28V
+
C83 22/50
+
C82 22/50
R15 7 100K
R153 4.7K
+
C80
1/35 V
-26V
R151
24.9 K/1%
R158
97 .6 k/1%
R152 4. 7K
-13V
R148
15k
-13V
R15 4 15 0K
C88
.0 68uF/5 0
R169
12k
C90 100p
R166
10K
-13V
R165 24 .9 K/ 1%
C91
.0068
R172
1k /1 %
R174 1k/1%
R167
10K
-26V
C87
.1uF/50
R17 5 470k
R173
1k/1%
R171 1k/1%
R170
97.6k/1%
R168
10 K
C89
.22uF/ 50
1
2
3
J27
CON3
1
2
3
J1 8
CON3
Net C5_+
Net C37_ -
Net C5_+
-28V
R11
330K
R34
1M
RLY7A
SPDT
C61
.1/400
1
2
J7
CON2
1
2
J8
CON2
R68
1M
C4
.0022
R79
47K
R184
100
RLY7B
SPDT
-24V
R103
1.5k
-24V
2
4
5
IC15A
LM339AN
1
6
7
IC15B
LM339AN
3 12
14
8
9
IC15C
LM339AN
13
11
10
IC15D
LM339AN
R116
47 k
-24V
R187
1. 2K
R186
1. 2K
R119
47 K
R181
47 K
R182
47K
R188
620
R180
47K
E
C
B
Q2
2SA733
D
S
G
Q1
2SK 30A
ZD2
1N757
ZD1
1N757
R109
1M
-24V
C95
.39/50
MUTE
C3
1/50
1
23
4
IC2
PS2505-1
C63
.1/50
R185
150
VR1 2B
PULL TREM ACTIVE
1
2
J31
CON1
1
2
J30
CON1
1
2
3
4
5
6
J5 4
CON5
1
2
3
4
5
6
J53
CON5
Net C11_ -
gnd0
gnd0
Net R34_ 2
NETD5 _K
-24V
TRE MOLO
TRE MOLO
ACTIVE ON
ACTIVE ON
NETIC15 _13
(Reverb Area)
E
C
B
Q3
2SA 733
-24V
R177
10K
VR1 2C
PULL TREM ACTIVE
CW
VR1 2A250KC
ACTIVE OFF
C64
10 N/ 25 0V AC
C71
.01/1kV
FTSW ASSIGN
ACTIVE Off
R126
10k
R176
10k
14
13
12
16
15
IC13B
LM1 3700
3
4
5
11 6
1
2
IC13A
LM1 3700
3
4
5
116
1
2
IC12A
LM1 3700
14
13
12
16
15
IC12B
LM13700
R183
10 0K
R179
47 k
R111
1M
-13V
C94 47p
R178
33 k
C93
.22uF
C92
.22uF
-13V
NetC23_ +
+
C96
.47/50
R80
5/2W
1
2
3
J33
CON6
1
2
3
4
J4 5
CON6
(Tremolo Area)
1
2
3
4
J50
CON4
1
2
3
4
J51
CON4
C16 .68/50
C97
.1/400
ZD3
1N 52 42
C98
.001uF
R57
68k
C99
.01/1kV
C101
.0 1/1kV
C100
.0 1/1kV
1
2
3
4
L2
DONUT
1
2
3
4
L1
DO NUT
Net R80
C102
100p

Related product manuals