EasyManua.ls Logo

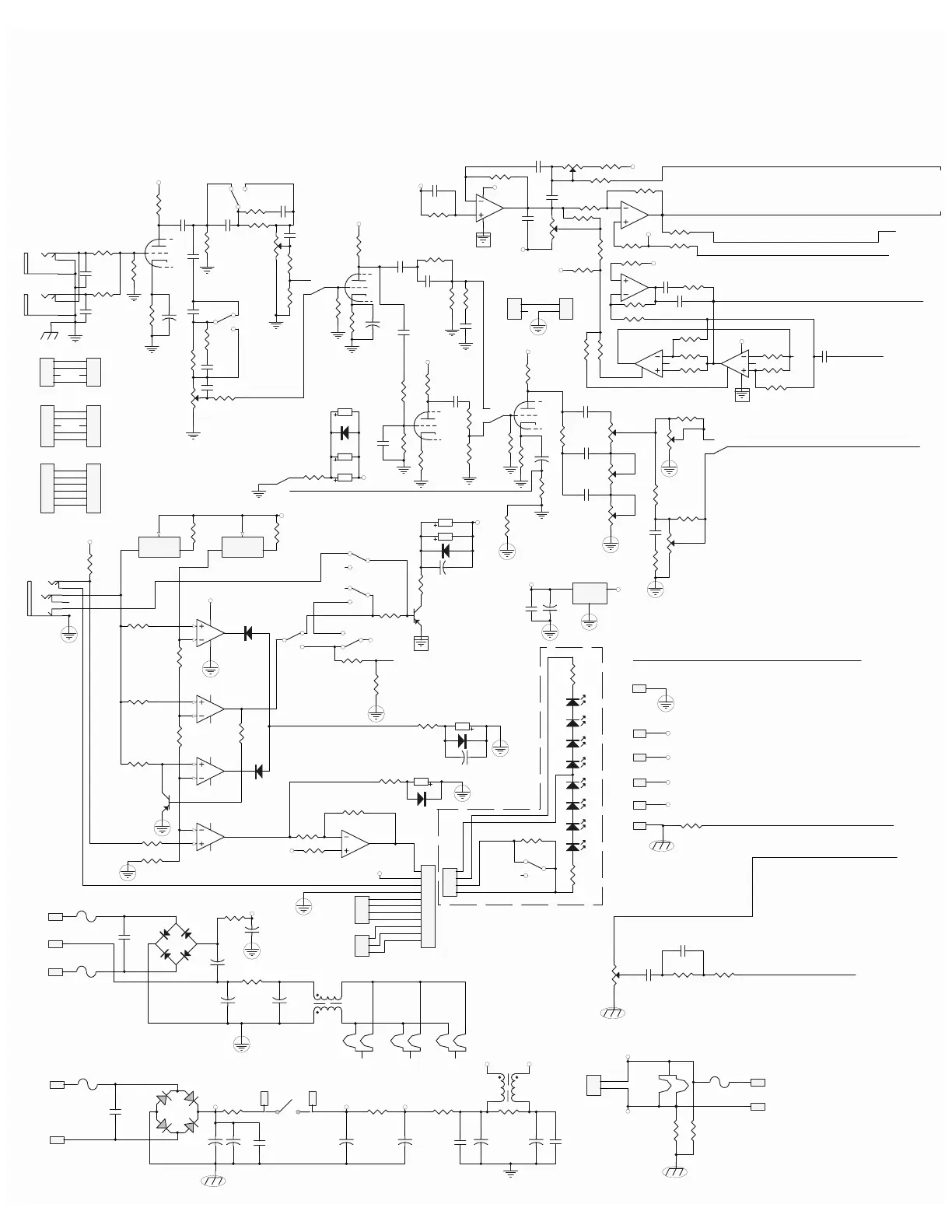
Kustom 72 Coupe - Preamp Controls and Signal Path; Volume and Tone Controls; Vibrato Circuit; Reverb Circuitry

Kustom 72 Coupe
4 pages
Print Icon
To Next Page IconTo Next Page
To Next Page IconTo Next Page
To Previous Page IconTo Previous Page
To Previous Page IconTo Previous Page
Loading...
1
J34
6V AC+ PT
1
J35
6V AC- PT
6V AC+
6VAC-
F4
T10A
R102
100/1W
R101
100/1W
5
9
4
V4 C
12AX7
+360V
+380V
C57
.2 2/50
CW
VR1 1
1KA
R51
4. 7K
C55
.2 2/50
R84
2. 2K
FILAMENT
Direct Out Level
To Preamp/Supply Board
1
2
3
V1A
12AX7
R13
12 0k /.5W
C11
.022/400
+300V
5
9
4
V1 C
12AX7
T
TS
S
J2
HI GAIN IN
T
TS
S
J3
LO GAIN I N
R28
47k
R30
47k
C21
100pF
C22
100pF
R43
1M
R15
1k
+
C2
22 /5 0
R41
1M
C15
.0022/50
R33 220k
R29
47 k
R20
100k
C18
680p/50
C20
470p
R63
10 k
CW
VR5
25 0K A
C23 220p/400
R21
10 0k
C26
.033/400
C29
.047/400
CW
VR6
25 0K A
CW
VR9
10 KA
CW
VR8
1MA
7
6
8
V1 B
12AX7
CW
VR7
250kA
R36 82k
C24
.0082/50
SW1
channel
R53
1. 8k
1
2
3
V2A
12AX7
7
6
8
V2 B
12 AX 7
R10
12 0k /.5W
+320V
C12
.022/400
R39
1M
R42
1M
R60
120k /.5W
+300V
R55
1. 8k
+
C36
22/50
C32
.001/40 0
R35
47 0k
R45
1M
C19
470p
R72
15k
R12
10 0k /.5W
+320V
C28
.047/40 0
R37 470K
Treble
Bass
Mid
Clean Master
Lead Master
Clean Volume
Lead Volume
R58
220k
C25
.0 01uF/5 0
R61
33 0K
D1 2
KBP 0 6
1
J1 4
GREE N PT
F2
T2 A
1
J1 6
ORANGE PT
1
J1 9
GREE N PT
F3
T2 A
+
C46
22 00/35
+
C48
47 00/35
+
C47
22 00 /35
5
9
4
V2 C
12AX7
5
9
4
V3C
12 AX 7
-28V
1N 40 07 X 4
1
J6
RED PT
F1
T2A
1
J9
RED PT
+
C43
100/500
+400V
R75
4K /5W
+
C44
47/500
+380V
+
C40
47/500
+360V
R76
22K/1W
+
C41
22/450
+320V
+
C42
22 /4 50
+300V
R77
10K/1W
R
RS
S
T
TS
SS
J3 6
FOOT SWITCH
R16
47
R17
47
D6
41 48
D7
1N4148
R69
1. 5k
R70
1. 5k
-28V
LED4
Lead
LED8
Clean
LED3
Lead
LED2
Lead
LED7
Clean
LED6
Clean
LED1
Lead
LED5
Clean
1
J1 0
STANDBY
1
J1 1
STANDBY
STANDBY
Metal Film
Metal Film
Metal Film
Metal Film
VR4B
BRIGHT
CW
VR4A
250kA
VR1 B
BRIGHT
CW
VR1A
25 0k A
D10
D1 1
D9D8
OU T
3
1
IN
2
AD J
IC8
LM317LZ
R1 14
100
OUT
3
1
IN
2
AD J
IC9
LM317LZ
R1 15
270
R1 12
470
(Normally Clean)
D1 6
1N4148
D1 5
1N4148
D5
1N4148
boost
channel
R110
6. 8k
R107
10k
REVERB
-24V
5
6
7
IC1B
4560
R105
100k
R106
47k
RLY2A
SPDT
RLY3A
SPDT
RLY1A
SPDT
RLY4B
SPDT
RLY3B
SPDT
RLY1B
SPDT
RLY2B
SPDT
1
2
3
4
J4 3
CON6
-28V
1
2
3
4
5
6
7
8
9
10
11
J4 4
CON6
+300V
+320V
REVERB
MUTE
NETIC15_13
1
2
J5 2
PILOT
Net C37_-
Net C23_+
1
2
3
4
5
J3 2
TO PWR AMP
1
2
3
4
5
J2 3
TO PREAMP
MUTE
NETD5_K
Net R34_2
NetC11_ -
1
2
3
4
J2 0
TO PWR AMP
1
2
3
4
J17
TO PWR AMP
+380V
+360V
+320V
+300V
gnd1
NetC47_ -
gn d1
Net C47_-
GND2
+
C62
10 /3 5V
+
C73
2200/35
R127
10/1W
C69
270p
R113
1M
C68
27 0p
C66
33 p
R117
22 0k
R120
10 0k
R125
15k
R121 100k
-14V
Vin
I
G
G
Vout
O
IC7
LM79 24
+
C72
22/35V
C65
.1/50
-24V
R118
220k
C70
270p
R123
47 FP
R124
47 FP
+
C86
47 /5 00
R74
40 0/ 10W
D3 4
1N4148
tremol o
RLY5B
SPDT
+
C84
22 /3 5V
RLY6B
SPDT
SW4BSW4A
-24V
R159
100
3
2
1
8 4
IC10A
4560
R131 316K/1%
R140
330K
C76
.01uF/ 50
C78
47pF/5 0
-13V
-26V
-13V
CW
VR1 3
10KA
Vibrato
R141
10k
R149
10 0k
-26V
C77 .1uF/50
C75 2.2uF/50
R1303. 3k
Speed
5
6
7
IC10B
4560
R139
24 .9 K/1%
R136
24.9K/1%
R144
10 K
-13V
-13V
R132 221K/1%
5
6
7
IC11B
4560
R143 10K
R145 10K
R151
24 .9 K/1%
R158
97.6k/1%
C88
.068uF/50
R169
12 k
C90 100p
R166
10K
-13V
R165 24.9K/1%
R172
1k/1%
R174 1k/1%
R167
10 K
-26V
R173
1k/1%
R171 1k/1%
R170
97 .6 k/1%
R168
10 K
-28V
R11
33 0K
R34
1M
RLY7A
SPDT
R68
1M
C4
.0022
R79
47 K
R184
10 0
RLY7B
SPDT
-24V
R1 03
1.5k
-24V
2
4
5
IC15A
LM33 9AN
1
6
7
IC15B
LM33 9AN
3 12
14
8
9
IC15C
LM33 9AN
13
11
10
IC15D
LM33 9AN
R116
47k
-24V
R187
1. 2K
R186
1. 2K
R119
47K
R181
47K
R182
47K
R188
620
R180
47 K
E
C
B
Q2
2SA733
VR1 2B
PULL TREM ACT IVE
1
2
J3 1
CON1
1
2
J3 0
CON1
1
2
3
4
5
6
J54
CON5
1
2
3
4
5
6
J5 3
CON5
Net C11_-
gn d0
gn d0
Net R34_2
NETD 5_K
-24V
TRE MOLO
TREMOLO
ACTIVE ON
ACTIVE ON
NETIC15_13
(Reverb Area)
E
C
B
Q3
2SA733
-24V
R177
10 K
VR1 2C
PULL TREM A CTIV E
CW
VR12A250KC
ACTI V E OFF
C64
10 N/ 250VAC
C71
.0 1/1kV
FTSW ASSIGN
ACTIVE Off
R126
10k
14
13
12
16
15
IC13B
LM13 700
3
4
5
11 6
1
2
IC13A
LM13 700
C93
.22uF
Net C23_+
+
C96
.47/50
R80
5/2W
1
2
3
J3 3
CON6
1
2
3
4
J4 5
CON6
(Tremol o Area)
C99
.0 1/1kV
C101
.0 1/1kV
C100
.01/1kV
1
2
3
4
L2
DO NUT
1
2
3
4
L1
DO NUT
NetR80
72 Coupe Schematic, Printable Left

Related product manuals