EasyManua.ls Logo

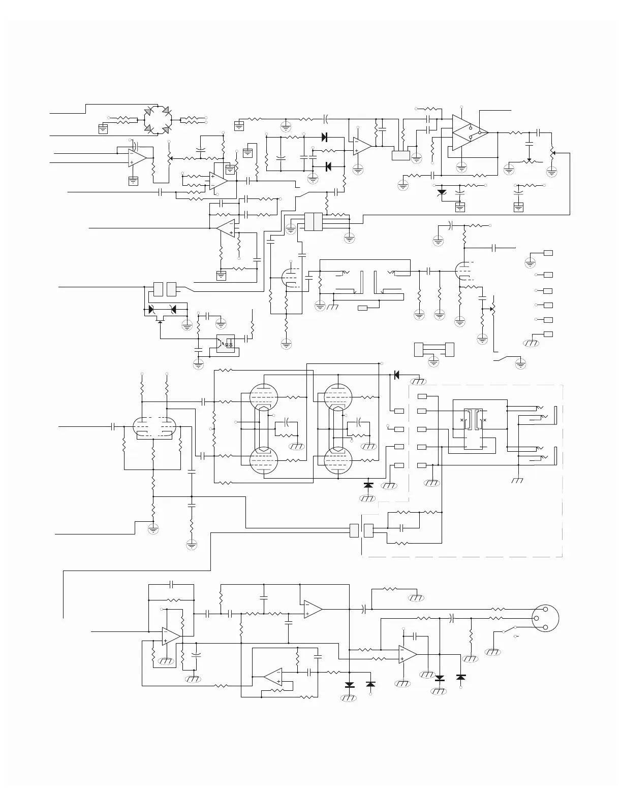
Kustom 72 Coupe - Output Stage and Speaker Interface; Output Transformer and Impedance Selector; Speaker Jacks; Signal Routing and Effects

Kustom 72 Coupe
4 pages
Print Icon
To Previous Page IconTo Previous Page
To Previous Page IconTo Previous Page
Loading...
5
4
3
8
2
7
1
V6
6L6/EL34
5
4
3
8
2
7
1
V5
6L 6/EL34
R4
4. 7K
R5
4. 7K
R96
15 0K
R97
15 0K
-28V
R98
82/10W
+
C59 100/100
R95
1K/5W
R94
1K/5W
6V AC+
6V AC-
1
2
3
V4A
12 AX 7
7
6
8
V4 B
12 AX 7
R25
100K /.5W
R24
82K /.5W
C30
.047/400
C31
.047/400
R46
1M
R71
47 0
R47
1M
R78
10 K/ 1W
R99
4. 7K/1W
C27
.1/400
C13
.022/400
+360V +360V
+380V
R26
18K
C60
.0082
C14
.0047/400
R18
4. 7K
R100
68 K
D1 3
R3000
D14
R3000
+400V
1
J2 2
BLUE OT
1
J24
RED OT
1
J2 6
BR OWN OT
Feedback/4ohm
1
J2 1
ORANGE OT
1
J2 5
GREEN OT
1
J2 8
YELLOW OT
1
J2 9
BLACK GND
R
RS
S
T
TS
J3 8
INT SPKR
R
RS
S
T
TS
J3 9
EXT SPKR
1
3
4
56
7
8
10
SW3
IMPE DANCE
Speaker Jacks
R50
15K
5
6
7
IC3B
4560
3
2
1
8 4
IC3A
45 60
R85
8. 2K
C49
.022/50
R66
10 k
R67
10k
R65
10k
+
C53
22 /5 0
C54
.33/50
C56
.33/50
R82
1k
R73
22k
R83
2. 7k
R49
2. 7k
C50
.047/50
C58
.0082/50
5
6
7
IC4B
4560
C38
.022/50
R90
27k
R52
2. 2k
C39
.022/50
R93
56 0
R91
27k
R92
15k
3
2
1
8 4
IC4A
4560
2
1
3
J3 7
XLR Jack
R86 300/1%
+
C51
22 /5 0
C35
.1/50
R88
10 k/ 1%
+
C52
22/50
R3
4. 7k
R87 300/1%
R8
22k
R9
22k
R89
10k/1%
SW2A
Direct Out
Impedance Selector
Output Transformer
Chassis Ground
7
6
8
V3 B
12 AX 7
+360V
+380V
To Preamp/
Supp ly Board
+320V
R54
3. 3k
R31
100k/0.5W
R44
1M
1
2
3
V3 A
12AX7
R62
82K
R22 68k
R56
22 0k
T
TS
SS
S
J4
FX SEND
3
2
1
8 4
IC1A
45 60
CW
VR2
10KB
-28V
C17
47 0p
R40
1M
R1
22
+
C1
22 /5 0
R6
22k
1
2
3
4
J1
REVERB
R14
1k
R19 100k/1%
-14V
C9
.1/50
C6
.1/50
-14V
R27
47 k
R48
82 0
C8
.1/50
D1 1N4148
D2
1N 4148
-28V
C33
.0 22uF/4 00
T
TS
SS
S
J5
FX RETURN
C34
.1uF/50
R23
10 0k /.5 W
C37
.022/40 0V
R64
22 k
CW
VR10
250kC
R32
220k
R59
220K
R38
47 0k
R7
10 0k
C7
.1/50
R2
470
CW
VR3 250KA
C10
.33/50
Reverb Tone
Reverb Volume
Metal Film Meta l Film
Boost
Metal Film
3
2
6
7
48
1
5
+
+
-
-
IC5
2120D
R104
10 0k /1%
-14V
-28V
REVERB
RLY4A
SPDT
1
2
J4 1
CON FDBK
1
2
J40
CON FDBK
+300V
+320V
NetC37_ -
1
J1 2
BLACK GND
C5
.2 2uF/ 50
R122
3. 9k
+360V
C67
.015/50
1
J1 5
BLAC K OT
1
J13
BLACK OT
-24V
-24V
D29
1N4148
D2 8
1N4148
-24V
D2 7
1N 4148
D2 6
1N4148
-24V
R81
1k
+
C45
22 /5 0
R108
1k
-14V
R12 9 10 k / .5W
+
C74
22/450
5
4
3
8
2
7
1
V7
6L 6/EL34
5
4
3
8
2
7
1
V8
6L6/EL34
6VAC+
R163
1K /5W
R160
4. 7K
R164
4. 7K
R161
1K /5W
R162
82 /1 0W
+
C85 100/100
6VAC-
RLY5A
SPDT
RLY6A
SPDT
R138
3. 92K/1%
1N4148 X 4
D31D30
D33
D32
R134
6. 19K/1%
-13V
-26V
R137 3. 92 K/1 %
R133 6.19K/1%
-13V
CW
VR1 4
10 KA
Tremolo
3
2
1
8 4
IC11A
4560
-26V
R146
39K
+
C81 1/35V
R147
12 K
R142
12K
R150
10 0k
C79
.1uF/50
-13V
R135
0
-26V
R156
10 0
-26V
R155
1k
-13V -26V -28V
+
C83 22/50
+
C82 22/50
R157 100K
R15 3 4. 7K
+
C80
1/35V
-26V
R152 4.7K
-13V
R148
15k
-13V
R154 150K
C87
.1uF/50
R17 5 470k
C89
.2 2u F/50
1
2
3
J27
CON3
1
2
3
J18
CON3
NetC5_+
NetC37_ -
NetC5_+
C61
.1/400
1
2
J7
CON2
1
2
J8
CON2
D
S
G
Q1
2SK 30A
ZD2
1N757
ZD1
1N 757
R109
1M
-24V
C95
.3 9/50
MUTE
C3
1/50
1
23
4
IC2
PS2505-1
C63
.1/50
R185
15 0
R176
10 k
3
4
5
116
1
2
IC12A
LM13 700
14
13
12
16
15
IC12B
LM13 700
R183
100K
R179
47k
R111
1M
-13V
C94 47p
R178
33 k
C92
.22uF
-13V
1
2
3
4
J5 0
CON4
1
2
3
4
J5 1
CON4
C16 .68/50
C97
.1/400
ZD3
1N5242
C98
.001uF
R57
68 k
C102
10 0p
72 Coupe Schematic, Printable Right

Related product manuals