EasyManua.ls Logo

KYMCO MXU 250 - Page 200

KYMCO MXU 250
352 pages
Print Icon
To Next Page IconTo Next Page
To Next Page IconTo Next Page
To Previous Page IconTo Previous Page
To Previous Page IconTo Previous Page
Loading...
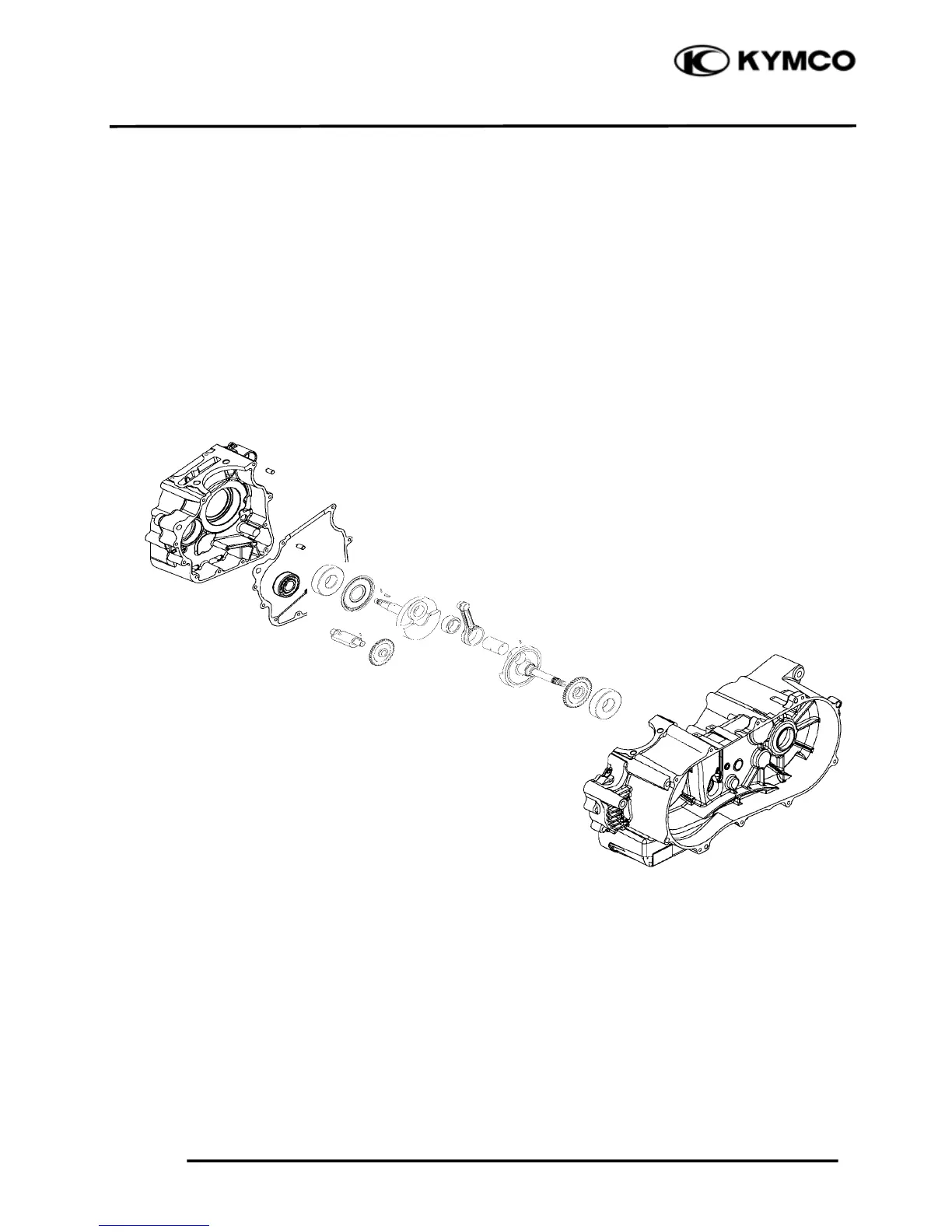
11.CRANKCASE/CRANKSHAFT/
BALANCE SHAFT
11-1
MXU 300250

Table of Contents

Other manuals for KYMCO MXU 250

Related product manuals