EasyManua.ls Logo

KYMCO MXU 250 - Wiring Diagrams

KYMCO MXU 250
352 pages
Print Icon
To Next Page IconTo Next Page
To Next Page IconTo Next Page
To Previous Page IconTo Previous Page
To Previous Page IconTo Previous Page
Loading...
1. GENERAL INFORMATION
1-22
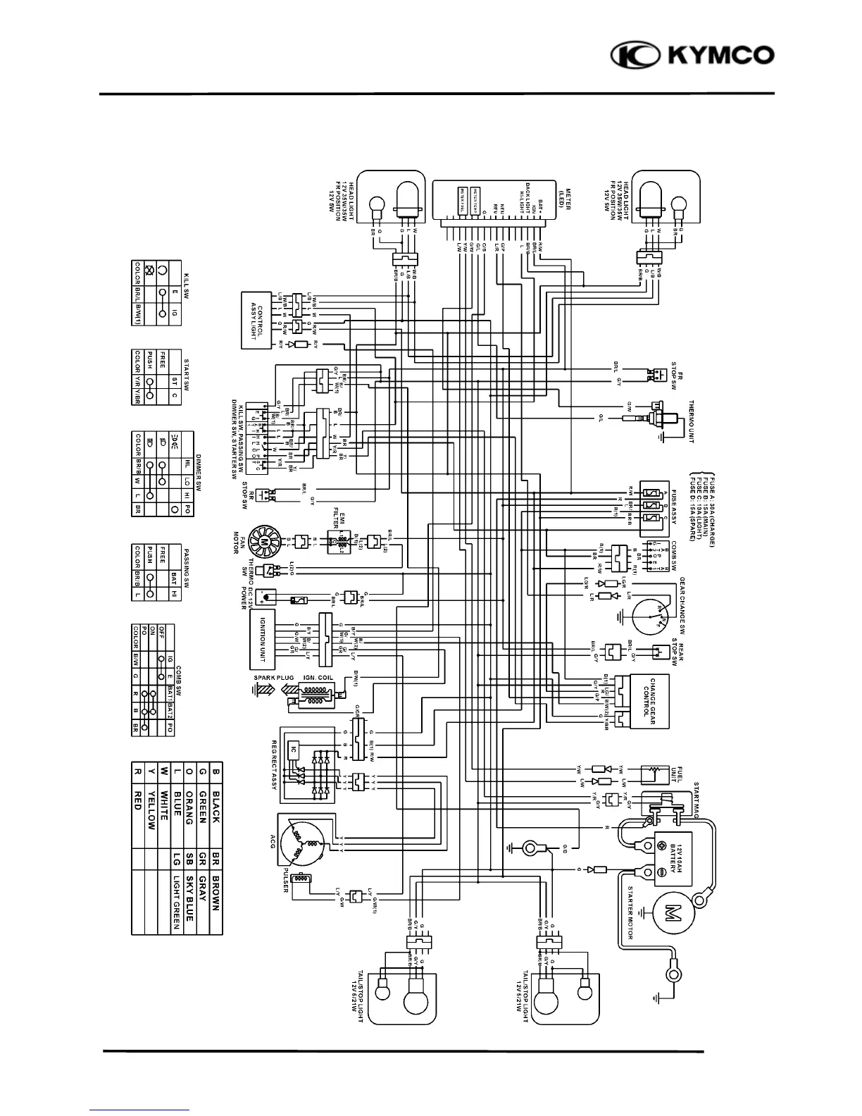
MXU 300/250
WIRING DIAGRAM ( MXU 250 OFF ROAD)

Table of Contents

Other manuals for KYMCO MXU 250

Related product manuals