EasyManua.ls Logo

Kyosho DRX - Page 39

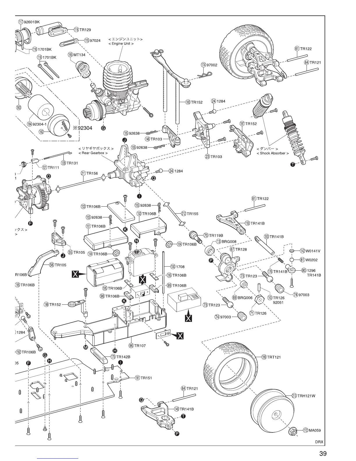
Kyosho DRX
48 pages
Print Icon
To Next Page IconTo Next Page
To Next Page IconTo Next Page
To Previous Page IconTo Previous Page
To Previous Page IconTo Previous Page
Loading...

Related product manuals