EasyManua.ls Logo

lancer IBD Bold 30i - Power Supply Wiring Diagram

lancer IBD Bold 30i
48 pages
Print Icon
To Next Page IconTo Next Page
To Next Page IconTo Next Page
To Previous Page IconTo Previous Page
To Previous Page IconTo Previous Page
Loading...
45
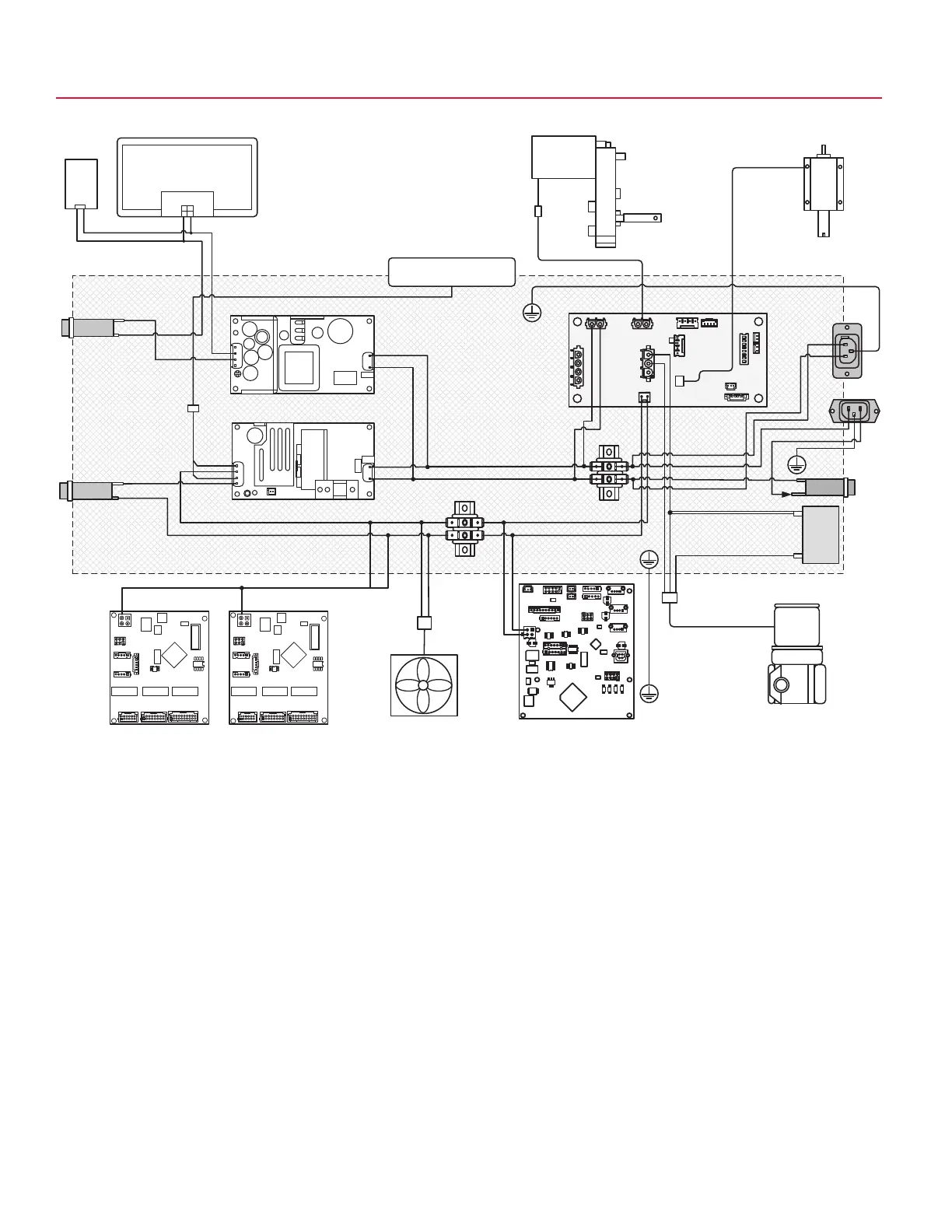
Power Supply Wiring Diagram - 115 Volt
7Amp
BREAKER
L
L
AC IN
N
N
3
RED
BLK
WHT BLK
WHT
BLK
IBD PCB
J5
J7
J5
J9
J11
J6
L
3.5 AMP
BREAKER
3.5 AMP
BREAKER
Pink
Pink
AUGER
CAP
AU GER
MOTOR
AC B L OCK
N
AGITATION
MOTOR
WHT
WHT
BLK
BLK
WHT
BLK
WHT
BLK
GRN
BLU
BLK
WHT
BLU
ICE DOO R
SOLEN OID
WHT
Back
Front
GRN
LINE
LINE
LO AD
LO AD
DC FAN
LCD DISPLAY
SBC
27VD C BLOCK
BLK
BLK
WHT
WHT
RED
BLK
BL K
BL K
RED
RED
RED
RED
BLK BLK
RED
RED
RED
RED
RED
BLK
24VDC
27VDC
UDC2 TOP Right Valves
UDC2 BOTTOM Left Valves
Pink
Pink
DIP 1 2 3 4 OFF
DIP 1 On 2 3 4 OFF
CONDENSATION FAN
P RI MAR Y PC B
SECONDARY PCB
GRN
DC FAN
AC OUT
AC VOLT TO SUPPLY
GRN
BLU /BLK
DIO PCB
BLK
RED
REDBLK
BLK
RED
DC1
DC2

Related product manuals