EasyManua.ls Logo

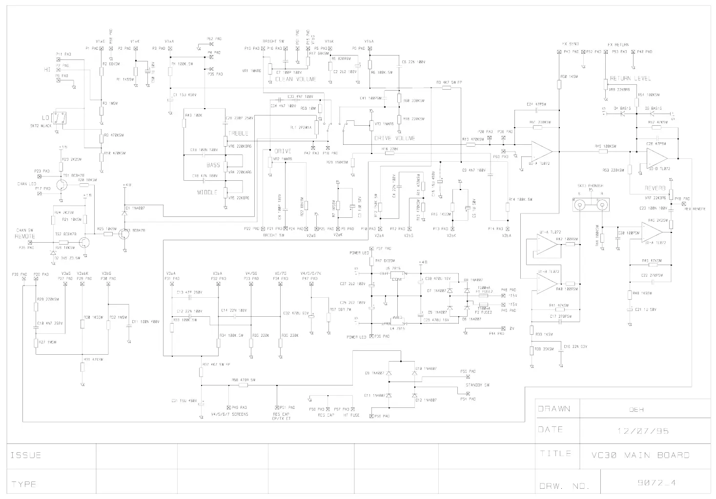
Laney VC30-210 - VC30 Main Board Schematic - DRW. 9072-4

Laney VC30-210
9 pages
Print Icon
To Next Page IconTo Next Page
To Next Page IconTo Next Page
To Previous Page IconTo Previous Page
To Previous Page IconTo Previous Page
Loading...

Related product manuals