EasyManua.ls Logo

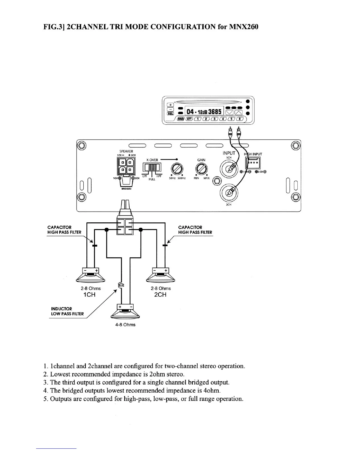
Lanzar MNX260 - 2 Channel Tri Mode Configuration

Lanzar MNX260
15 pages
Print Icon
To Next Page IconTo Next Page
To Next Page IconTo Next Page
To Previous Page IconTo Previous Page
To Previous Page IconTo Previous Page
Loading...

Related product manuals