EasyManua.ls Logo

Lauda E 103 - 11 Circuit Diagram

Default Icon
41 pages
Print Icon
To Next Page IconTo Next Page
To Next Page IconTo Next Page
To Previous Page IconTo Previous Page
To Previous Page IconTo Previous Page
Loading...
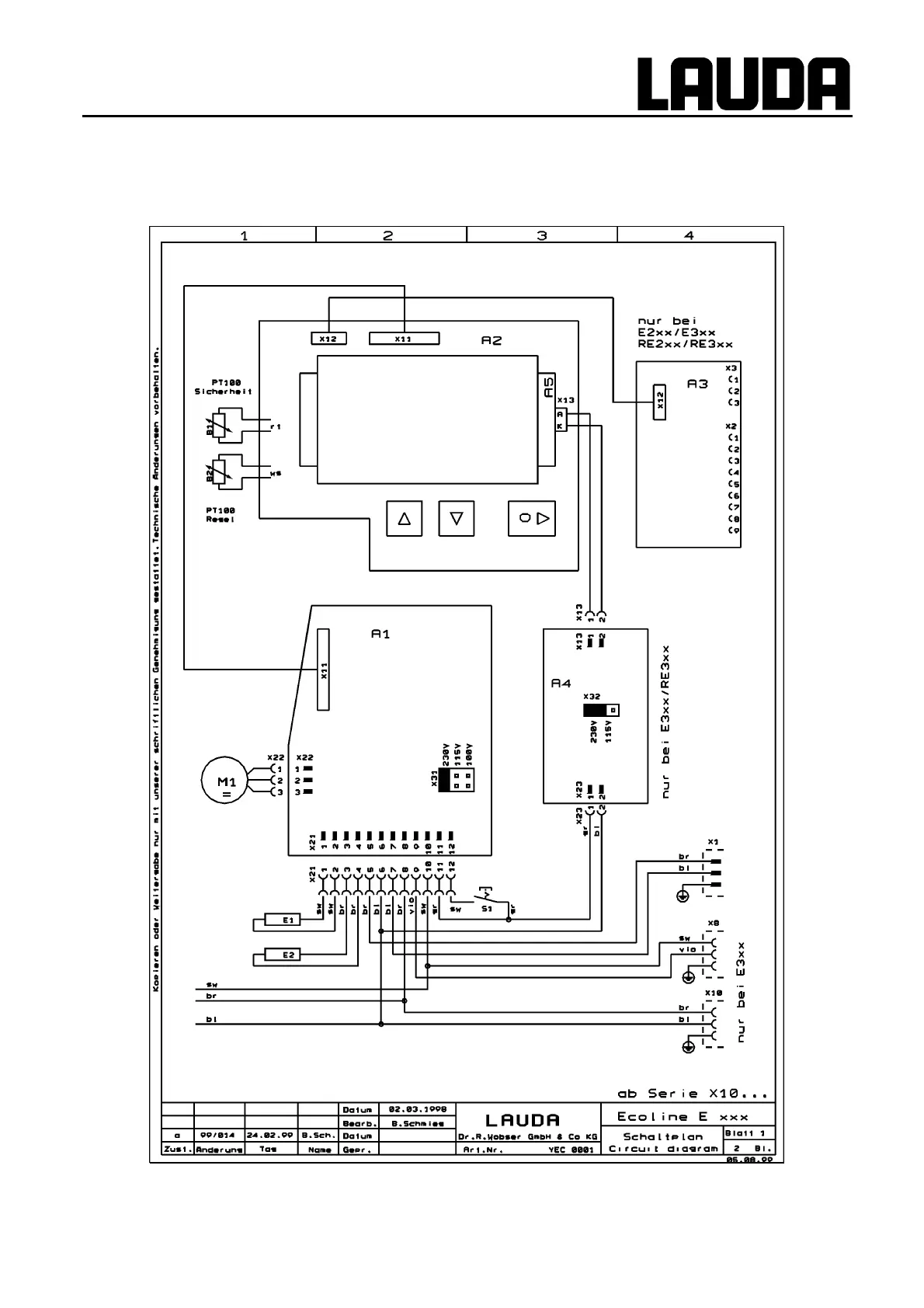
Circuit diagram
05.08.99
YACD0059
31
11 Circuit diagram
Artisan Technology Group - Quality Instrumentation ... Guaranteed | (888) 88-SOURCE | www.artisantg.com

Related product manuals