EasyManua.ls Logo

Lauda IN 2560 XTW - Page 134

Default Icon
200 pages
Print Icon
To Next Page IconTo Next Page
To Next Page IconTo Next Page
To Previous Page IconTo Previous Page
To Previous Page IconTo Previous Page
Loading...
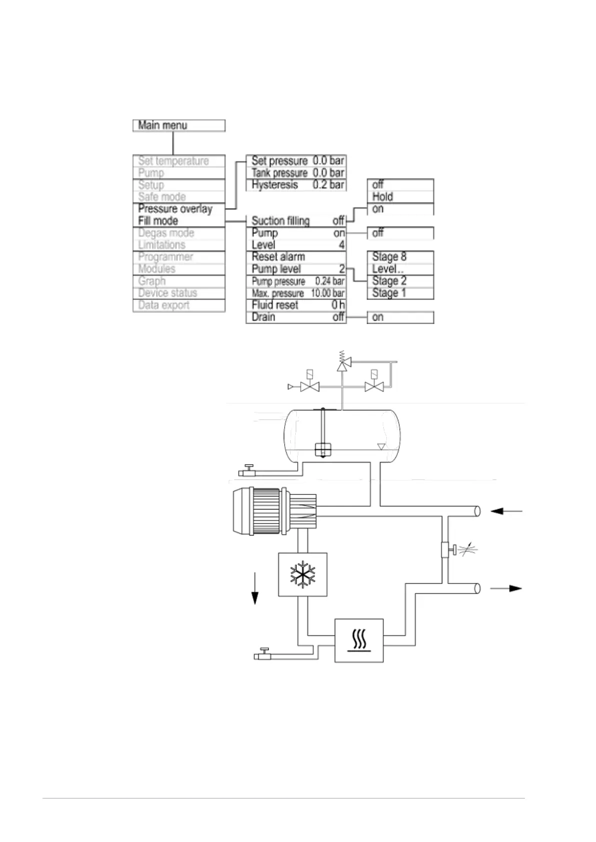
Fig. 77: Menu structure of the pressure overlay
Fig. 78: Schematic of the hydraulic circuit for devices with pressure overlay
V6Integral Process Thermostats and High-Temperature Thermostats134 / 198

Table of Contents

Related product manuals