EasyManua.ls Logo

Lauda RP 870 - 7.6.1 Master Basic Settings; Master Main Level Navigation

Default Icon
127 pages
Print Icon
To Next Page IconTo Next Page
To Next Page IconTo Next Page
To Previous Page IconTo Previous Page
To Previous Page IconTo Previous Page
Loading...
Proline Low-temperature Thermostats
36 Starting up YACE0072 / 21.08.07
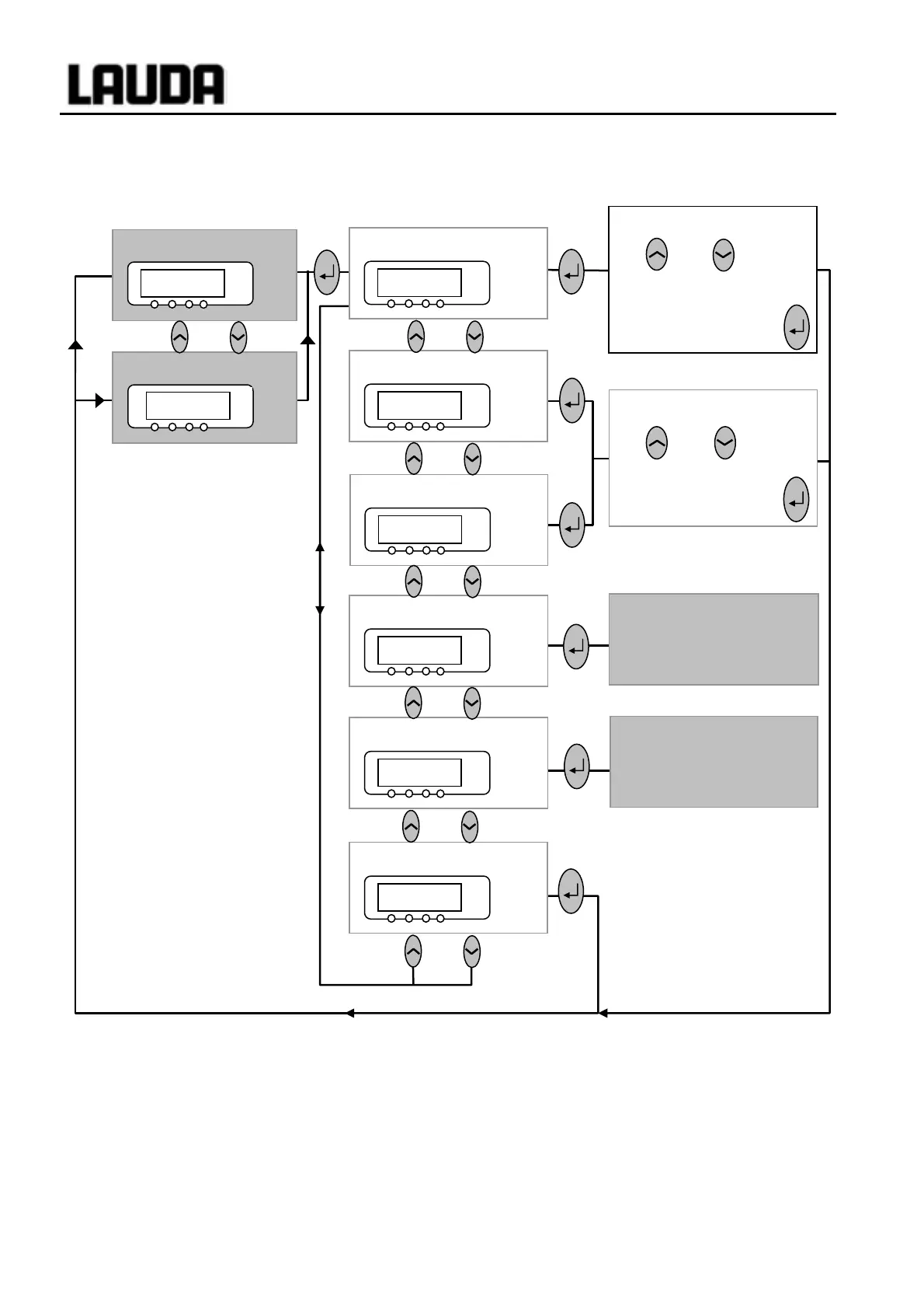
7.6.1 Basic settings and branching to submenus (Master)
Master; Main level
2 dots in the display, e.g. LMDkt, indicate that a submenu follows.
3 dots in the display, e.g.
LMnet, indicate that a module submenu follows.
Bath temperature
1%21
°C
Pump power 1-8/Standby.0
Os 7
°C
Setpoint
RDr
°C
Control Intern / Extern
Bml 0
°C
Further settings
LMDkt
°C
Configure modules
LMnet
°C
End
Dlc
°C
Section 7.6.2
Section 7.6.3
Display flashes. Set setpoint
with or . Display
is accepted after 4 sec. or
proceed immediately
with the key:
Control parameters,
setpoint resolution,
setpoint-source input,
calibration, etc.
Protection system,
Command, cooling system,
analog and RS232 digital
module, etc.
External temperature
1%/1
°C
EXT
Display flashes. Set value
with or . . Display
is accepted after 4 sec.
or proceeds immediately
with the key:
Section 7.7.3
Section 7.7.4
Section 7.7.1

Table of Contents

Related product manuals