EasyManua.ls Logo

LAWNBOY 81245 - Schematics; Electrical Diagram (Rev. B)

Default Icon
44 pages
Print Icon
To Next Page IconTo Next Page
To Next Page IconTo Next Page
To Previous Page IconTo Previous Page
To Previous Page IconTo Previous Page
Loading...
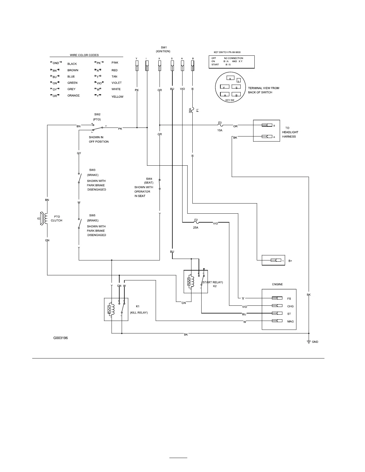
Schematics
Electrical Diagram (Rev. B)
40

Related product manuals