EasyManua.ls Logo

Leb Electronics CTR17 - Schema Generale

Leb Electronics CTR17
Print Icon
To Next Page IconTo Next Page
To Next Page IconTo Next Page
To Previous Page IconTo Previous Page
To Previous Page IconTo Previous Page
Loading...
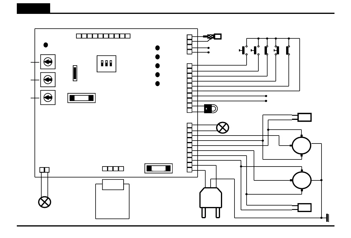
16
ITALIANO
1 2 3 4 5 6 7 8 9 10
J5
J6
Fusibile di rete
230 Vac 5A
1
2
3
4
5
6
7
8
9
10
J2
Collegamento
Radioricevitore
1
2
3
4
J3
Collegamento scheda
regolatore di coppia
LD6 LD5 LD4 LD3 LD2
FTC STP FTS STPD ST
Led di segnalazione
LD1
Alimentazione
Lavoro Ritardo M2 Pausa
Regolazione Temporizzatori
RV3 RV2 RV1
SW1
3
2
1
Dip switch
Selezione programmi
M1
COM
F
N
230 Vac
CH
AP
TERRA
GIALLO-VERDE
COND
Fusibile B.T.
24Vac 2A
F
2
J4
1 2 3 4
ANT
FOTOC NC
STOP NC
START NO
SERRATURA
ELETTRICA
USCITA
24 Vac
USCITA II°
CAN. RADIO
ST.PED. NO
M2
COM
CH
AP
LAMP
SW2
J7
1
2
Coll. Luce di cortesia
o elettrocatenaccio
FTSTP NC
Comune comandi e sicurezze
1 2 3 4 5 6 7 8 9 10
COND
Schema generale
F
1