EasyManua.ls Logo

Lectrosonics UM400AV - General Technical Description; Introduction; Digital Hybrid Technology; Um400 A Block Diagram

Lectrosonics UM400AV
20 pages
Print Icon
To Next Page IconTo Next Page
To Next Page IconTo Next Page
To Previous Page IconTo Previous Page
To Previous Page IconTo Previous Page
Loading...
UM400a
LECTROSONICS, INC.
4
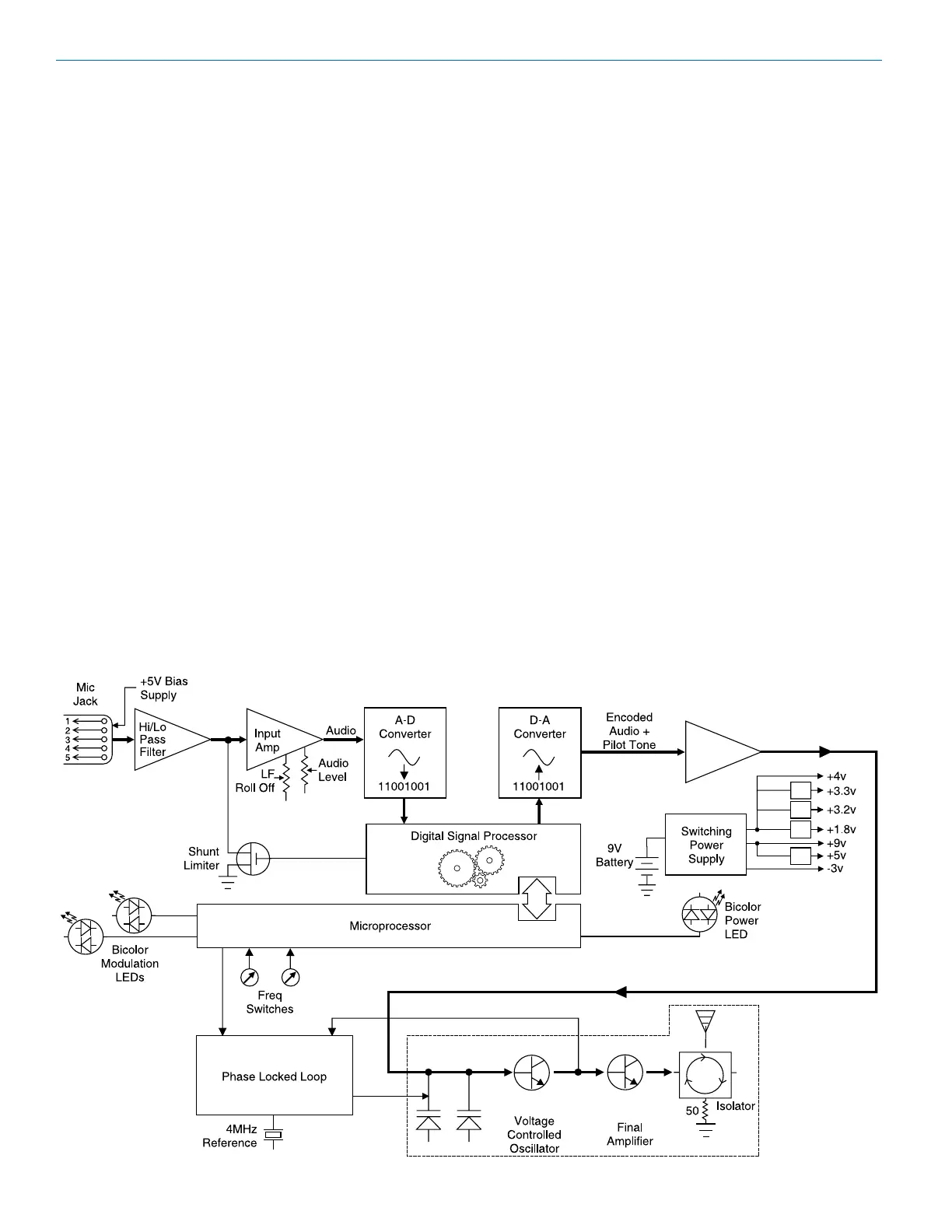
Introduction
The UM400a transmitter combines 100 mW of RF
output with +/- 75 kHz wide deviation for extended
operating range and extremely high signal to noise ratio.
These key design features are coupled with the com-
pandor-free Digital Hybrid Wireless
®
audio chain and
packaged in the widely recognized Lectrosonics stan-
dard transmitter housing.
The unit is powered by a single 9V battery in the inter-
nal compartment, or from external DC using a Lectro-
sonics ISO9VOLT battery eliminator.
Digital Hybrid Technology
All wireless links suffer from channel noise to some
degree, and all wireless microphone systems seek
to minimize the impact of that noise on the desired
signal. Conventional analog systems use compandors
to improve the signal to noise ratio, at the cost of subtle
artifacts (known as “pumping” and “breathing”). Wholly
digital systems defeat the noise by sending the audio
information in digital form, at the cost of some combina-
tion of power, bandwidth and resistance to interference.
The Lectrosonics Digital Hybrid system overcomes
channel noise in a dramatically new way, digitally
encoding the audio in the transmitter and decoding it
in the receiver, yet still sending the encoded informa-
<--See 5-Pin Input Jack Wiring for details.
UM400a Block Diagram
General Technical Description
tion via an analog FM wireless link. This proprietary
algorithm is not a digital implementation of an analog
compandor but a technique which can be accomplished
only in the digital domain, even though the inputs and
outputs are analog signals.
Channel noise still has an impact on received signal
quality and will eventually overwhelm the receiver. The
Digital Hybrid simply encodes the signal to use a noisy
channel as efficiently and robustly as possible, yield-
ing audio performance that rivals that of wholly digital
systems, without the power and bandwidth problems
inherent in digital transmission. As always, these
advantages come at a cost. The Digital Hybrid system
requires fairly intensive digital processing in both the
transmitter and the receiver. These processors cost
money, take up space and consume power. The Digital
Hybrid system also requires that the underlying RF link
be of excellent quality, with better frequency response
and distortion characteristics than that required by con-
ventional systems.
Because it uses an analog FM link, the Digital Hybrid
enjoys all the benefits of conventional FM wireless
systems, such as excellent range, efficient use of RF
spectrum, and long battery life. However, unlike con-
ventional FM systems, this unique design has done
away with the analog compandor and its artifacts.

Related product manuals