EasyManua.ls Logo

Lectrosonics UM400E - General Technical Description; Introduction; Digital Hybrid Technology; Um400 A Block Diagram

Lectrosonics UM400E
20 pages
Print Icon
To Next Page IconTo Next Page
To Next Page IconTo Next Page
To Previous Page IconTo Previous Page
To Previous Page IconTo Previous Page
Loading...
UM400a
LECTROSONICS, INC.
4
Introduction
The UM400a transmitter combines 100 mW of RF
output with +/-75 kHz wide deviation for extended
operating range and extremely high signal to noise
ratio. These key design features are coupled with the
compandor-free Digital Hybrid Wireless
®
audio chain
and packaged in the widely recognized Lectrosonics
standard transmitter housing.
The unit is powered by a single 9V battery in the inter-
nal compartment, or from external DC using a Lectro-
sonics ISO9VOLT battery eliminator.
Digital Hybrid Technology
All wireless links suffer from channel noise to some de-
gree, and all wireless microphone systems seek to mini-
mize the impact of that noise on the desired signal. Con-
ventional analog systems use compandors for enhanced
dynamic range, at the cost of subtle artifacts (known as
“pumping” and “breathing”). Wholly digital systems defeat
the noise by sending the audio information in digital form,
at the cost of some combination of power, bandwidth and
resistance to interference.US Patent 7,225,135
Lectrosonics Digital Hybrid Wireless™ systems over-
come channel noise in a dramatically new way, digitally
encoding the audio in the transmitter and decoding it
in the receiver, yet still sending the encoded informa-
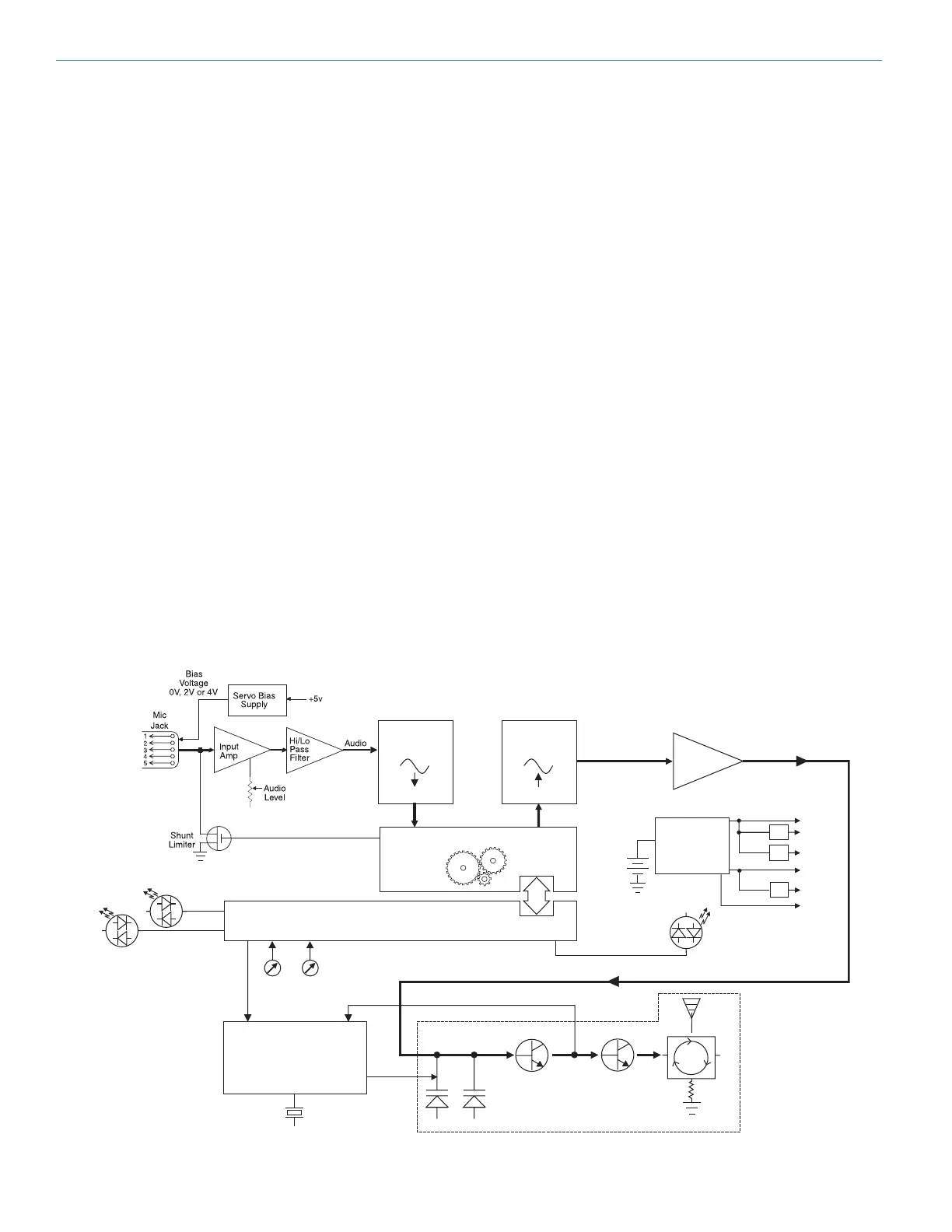
UM400a Block Diagram
General Technical Description
tion via an analog FM wireless link. This proprietary
algorithm is not a digital implementation of an analog
compandor but a technique that can be accomplished
only in the digital domain, even though the inputs and
outputs are analog.
Channel noise still impacts received signal quality and
will eventually overwhelm a receiver. Digital Hybrid
Wireless™ simply encodes the signal to use a noisy
channel as efficiently and robustly as possible, yield-
ing audio performance that rivals that of wholly digital
systems, without the power and bandwidth problems
inherent in digital transmission.
Because it uses an analog FM link, Digital Hybrid Wire-
less™ enjoys all the benefits of conventional FM wire-
less systems, such as excellent range, efficient use of
RF spectrum, and resistance to interference. However,
unlike conventional FM systems, it does away with the
analog compandor and its artifacts.
No Pre-Emphasis/De-Emphasis
The Digital Hybrid Wireless™ design results in a signal-to-
noise ratio high enough to preclude the need for conven-
tional pre-emphasis (HF boost) in the transmitter and de-
emphasis (HF roll off) in the receiver. This eliminates the
potential for extreme distortion on signals with abundant
high-frequency information.
Phase Locked Loop
Voltage
Controlled
Oscillator
Freq
Switches
11001001
A-D
Converter
Digital Signal Processor
11001001
D-A
Converter
Bicolor
Modulation
LEDs
Microprocessor
9V
Battery
Switching
Power
Supply
+3.3v
+1.8
v
+9v
-3v
Encoded
Audio +
Pilot Tone
4MHz
Reference
Bicolor
Power
LED
Final
Amplifier
50
Isolator
+3.2v
+5v

Related product manuals