EasyManua.ls Logo

Leelbox GR2300iS - Page 166

Leelbox GR2300iS
210 pages
Print Icon
To Next Page IconTo Next Page
To Next Page IconTo Next Page
To Previous Page IconTo Previous Page
To Previous Page IconTo Previous Page
Loading...
37
120 V sans monoxyde de carbone
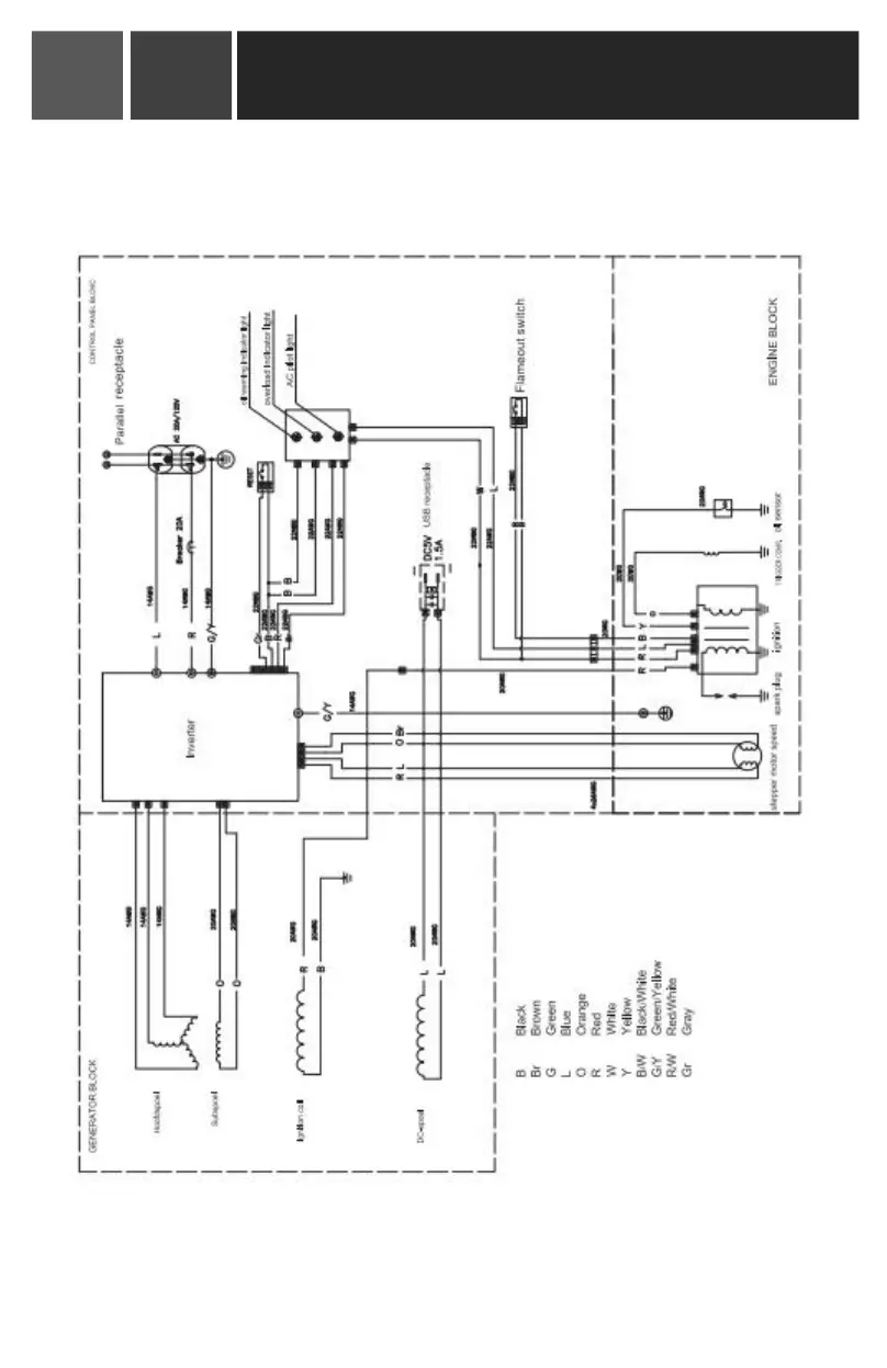
Schéma électrique
Manuel de l'utilisateur du nérateur onduleur
11
00