EasyManua.ls Logo

Leelbox GR2300iS - Page 167

Leelbox GR2300iS
210 pages
Print Icon
To Next Page IconTo Next Page
To Next Page IconTo Next Page
To Previous Page IconTo Previous Page
To Previous Page IconTo Previous Page
Loading...
38
120V avec CO + USB + allume-cigare
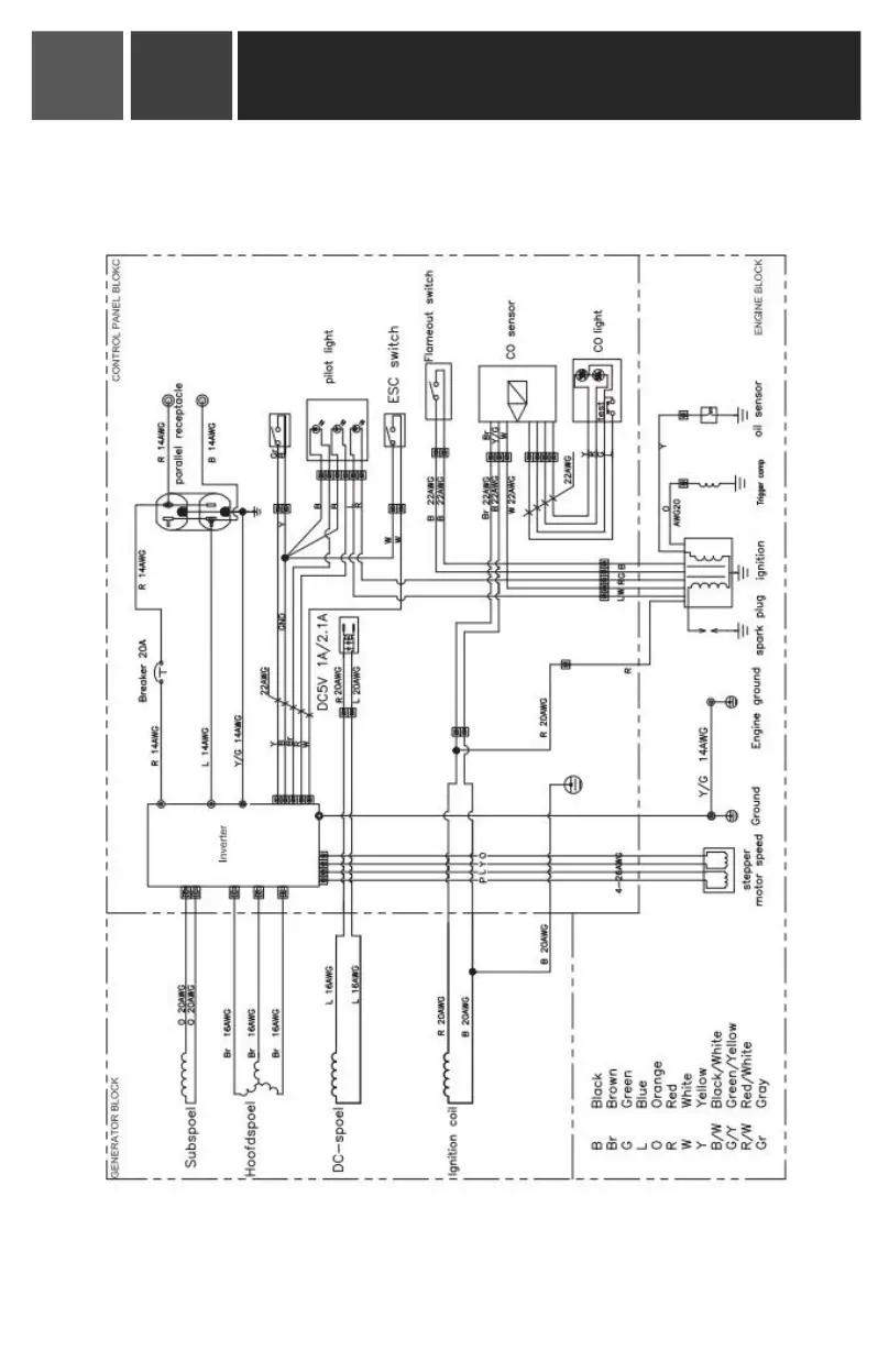
Schéma électrique
Manuel de l'utilisateur du nérateur onduleur
11
00