EasyManua.ls Logo

Leelbox GR2300iS - Page 209

Leelbox GR2300iS
210 pages
Print Icon
To Next Page IconTo Next Page
To Next Page IconTo Next Page
To Previous Page IconTo Previous Page
To Previous Page IconTo Previous Page
Loading...
38
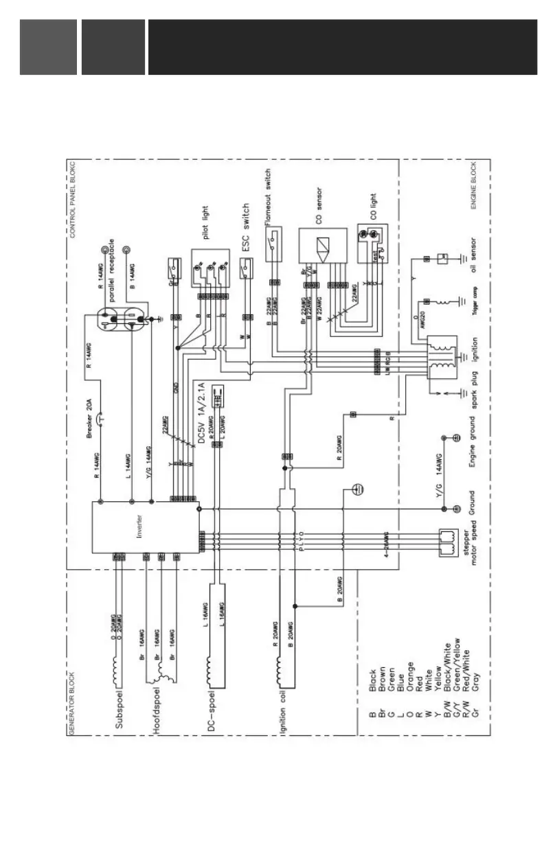
120V mit CO + USB + Zigarettenanzünder
Elektrisches Schema
Inverter Generator Bedienungsanleitung
11
00