EasyManua.ls Logo

LEM PROCON 400 - Page 10

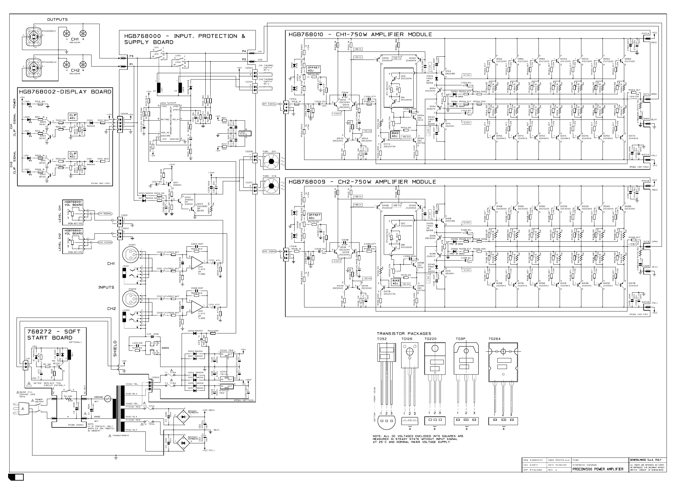
LEM PROCON 400
11 pages
Print Icon
To Next Page IconTo Next Page
To Next Page IconTo Next Page
To Previous Page IconTo Previous Page
To Previous Page IconTo Previous Page
Loading...
1010
1010
10

Related product manuals