EasyManua.ls Logo

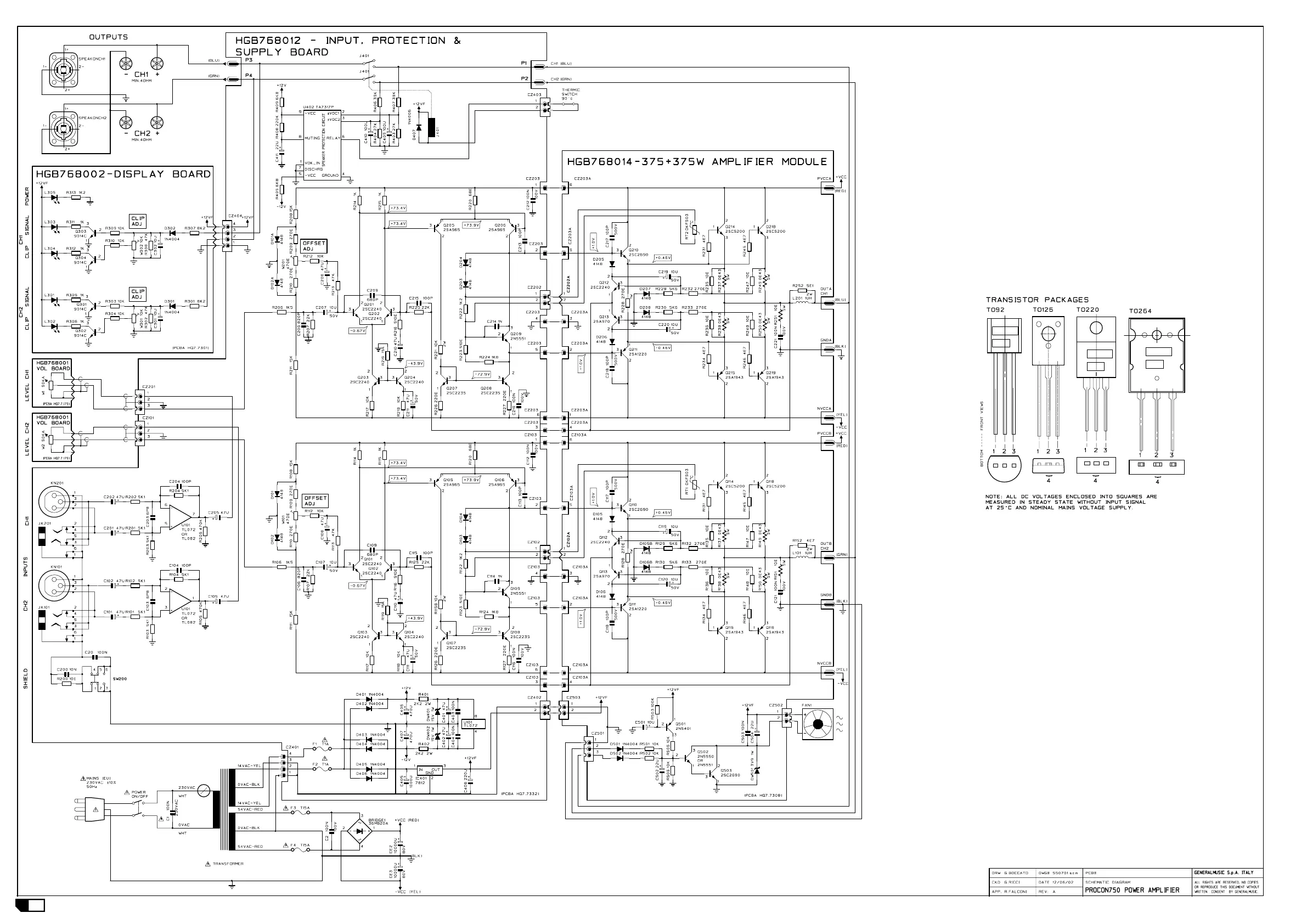
LEM PROCON 750 - HGB768004 475 W Amplifier Module; HGB768003 CH2-475 W Amplifier Module; HGB768006 CH1-550 W Amplifier Module; HGB768005 CH2-550 W Amplifier Module

Default Icon
11 pages
Print Icon
To Next Page IconTo Next Page
To Next Page IconTo Next Page
To Previous Page IconTo Previous Page
To Previous Page IconTo Previous Page
Loading...
66
66
6

Related product manuals